
СТРАНИЦЫ
Рабочий режим Hall/no Hall, поддержка Hall и фаза двигателя автоматически сочетаются посредством самообучения;
режим управления скоростью поддержки в режиме открытого/закрытого цикла;
Ускорение и замедление регулируются;
Режим регулирования скорости:0-5В/рабочий цикл/порт связи;
Включить входный сигнал управления, выходную сигнальную обратную связь скорости FG;
Самоиспытание оборудования, чрезмерный ток, короткое замыкание, перенапряжение, перенапряжение, блокировка ротора, перенапряжение и другие средства защиты.
Функция сжатия тока.
Рабочее напряжение 11,5-70VDC ((Конфигурируется через серийный порт).
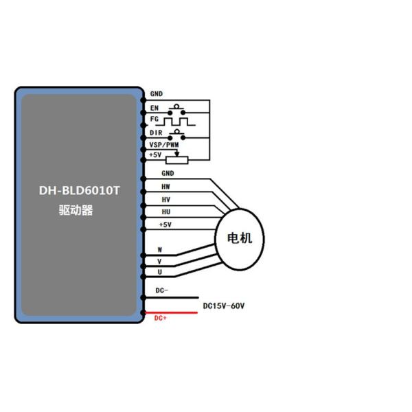
Описание порта

Описание характеристик


Диаграмма проводки

Безопасность
jОн установлен на несгораемой металлической раме, чтобы предотвратить проникновение пыли, коррозионных газов, проводящих объектов, жидкостей и горючих материалов, а также для поддержания хороших условий рассеивания тепла;
kДвижение запрещено для выдержки ударов;
Я...Не подключайте входной кабель питания к выходному U, V или W терминалам;
mПроверить, что входное напряжение питания основной цепи находится в пределах допустимого диапазона рабочего напряжения привода;
nНе испытывайте сопротивление высокому напряжению и изоляционные характеристики водителя по желанию;
oСогласно показаному способу правильно соедините кабель питания, кабель намотки двигателя, кабель сигнального сигнала Холла и кабель сигнального сигнала управления.и отметьте, что последовательность трех фаз UVW должна быть последовательной.
УПожалуйста, попросите профессионального инженера-электрика выполнить работу по проводке;
vПеред подключением подтвердите, что входное питание должно быть отключено, а подключение и проверка должны быть проведены после отключения питания и выключения индикатора водителя.
wПри подключении и выключении конечных блоков водителя убедитесь, что индикаторный свет выключен перед тем, как продолжить
xСтрого запрещено прикасаться ко всем терминалам во время включения
yЕсли последовательность между Холлом и тремя фазами двигателя неверна или самообучение не было проведено, чтобы соответствовать Холлу и трем фазам двигателя, двигатель не может работать нормально.и если значение входа VSP/PWM слишком велико, водитель будет поврежден.
zДля длительной работы, пожалуйста, следите за радиатором хорошо, и держать радиатор и MOS плотно прикреплены;
Рабочий режим
Водитель может работать в двух режимах работы, Hall и Hall, во время включения водителя, водитель обнаруживает сигнал Hall, если сигнал Hall не подключен, или сигнал Hall неисправен,водитель будет работать в зале без режима работыВ противном случае, привод работает в режиме работы Холла.
Когда водитель включен, когда сигнал управления превышает начальный рабочий цикл (конфигурируемый через серийный порт), водитель начинает запускать,и когда сигнал управления ниже, чем начальный рабочий цикл, водитель находится в режиме ожидания и двигатель останавливается.
Существует в общей сложности 6 комбинационных последовательностей для сигналов Холла HU, HV и HW, и одна из них является правильной фазовой последовательностью.(1) скорость и мощность вращения вперед и назад примерно равны, и (2) выходная мощность и ток являются нормальными во время постепенного увеличения команды до максимума.Для предотвращения аварий необходимо, чтобы питание имело предельную меру тока..
Этот драйвер поддерживает последовательность фаз Холла самообучающейся функции Xi, подключает кабель питания, сигнал Холла и сигнал управления, серийный порт отправляет инструкции AA 01 1E 01 00 00 00 CC,водитель выполняет последовательность фазы Холла самообучения Xi, светодиод мигает 13 раз и выключается на 2 секунды, чтобы указать, что обучение Xi завершено, и инструкция управления равна нулю, и он может работать нормально.
В режиме Hall-free фазовые линии двигателей U, V и W могут быть подключены произвольно, и две фазы могут быть обменены произвольно, и двигатель может быть перевернут,и внешний сигнал F / R может также сделать двигатель обратныйВ режиме Hall-free сигнал F/R может быть настроен через серийный порт, чтобы действовать немедленно или при остановке двигателя.
конфигурация серийного порта для режима открытого/закрытого цикла скорости;
СВЕДИТЕЛЬНЫЕ ИНДИКАТОРЫ

Размеры установки
