Входная мощность:24VDC
Номинальная мощность:240 Вт
Номинальная скорость потока:2400L/H @ H=17M
Макс Флоу:4800 л/ч
Максимальная подъемная голова:20м
- - - - - - - -
Средний:гликол ((50-60%) + вода, диэлектрическое масло,Электронный фторированный раствор
Средняя температура:
Гарантированное продолжительное время работы
-40°C до +85°C (-40°F до +185°F)
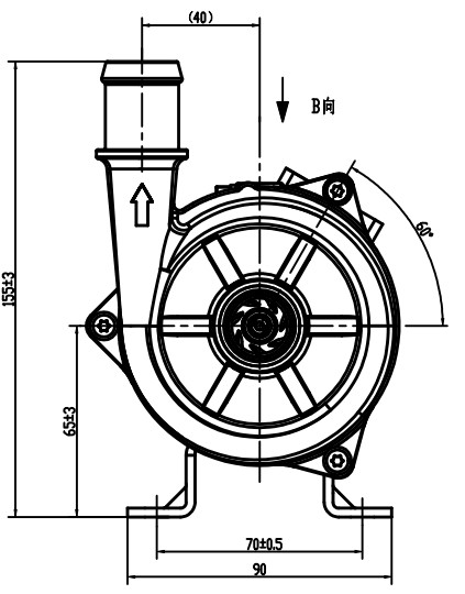
Диаметр сопла:25 мм ((1 дюйм)
Контроль скорости:PWM
Сигнал обратной связи с ошибкой:Да, да.
Степень ИП:IP68
Продолжительность службы:>20000 часов
Вес:2.2 кг


































