
Особенности
◆С постоянным регулированием потока
◆Защита от обратной полярности
◆Защита от сухого движения
◆Защита от перенапряжения и перенапряжения
◆Перегрузка, защита от перегрева
◆Одноступенчатый центробежный насос
◆Передача магнитной силы (структура щитового насоса)
◆Высокоэффективный бесшовный постоянный двигатель, низкое потребление энергии, высокая эффективность, более 20000 часов службы.
◆С широким диапазоном температуры работы
◆Регулирование скорости
Модель No.:OWP-BL43-200
Вводная мощность:24VDC ((18-32VDC)
Номинальная мощность: 250 Вт
Номинальная скорость потока: 2800 л/ч @ H=16M
Среднее: гликол ((50-60%) + вода, диэлектрическое масло, электронный фторированный раствор
Средняя температура:
Гарантированное продолжительное время работы
-40°C до +85°C (-40°F до +185°F)
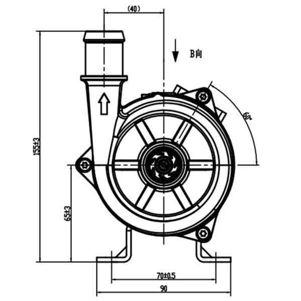
Диаметр выхода: 38 мм
Степень ИП: IP67
Контроль шума: ≤ 60 дБ
Продолжительность службы:>20000 часов
Вес: 2200 г
Применение насосов
Охлаждение электромоторов
Охлаждение контроллера двигателя электромобиля
Насос межохладителя турбокомпрессора
Тепловое управление батареями электромобилей
Охлаждение зарядных станций электромобилей высокой мощности
Охлаждающий насос для хранения энергии на батареях
Насос охлаждения топливных элементов
Водяной насос для охлаждения крупномасштабных GPU
Промышленная система охлаждения
Охлаждение по погружению
Охлаждение базовой станции связи
Охлаждение суперкомпьютеров
Насосы BLDC для системы управления батареями BMS для электромобилей
Насос охлаждающей жидкости для охлаждения зарядки электромобилей
EWP для сверхкомпрессора с жидкостным охлаждением
Усилитель циркуляции гликола
Фторированный насос жидкости
Электрический насос для повышения электроизоляционного масла
Электрический насос охлаждающей жидкости для погружения-охлаждения центра обработки данных
Автомобильный насос воды для циркуляции антифриза
Наши клиенты из 36 стран имеют высокую репутацию в своих областях.

Преимущества насоса
Профессиональная проверка электромагнитной теории делает наш насосный двигатель на 3-5% эффективнее других конкурентов.

Симуляционный расчет гидравлической конструкции профессиональным программным обеспечением делает наш винт и волют достичь наилучшего совпадения для более высокой гидравлической эффективности, чем другие

Двигательное устройство (включая двигатель)
◆Электромагнит: нейлоновый пластиковый магнит в капсулах
◆Шрубы и орехи: нержавеющая сталь SUS 304
Двигатель движения: безчешный мотор
◆ Водостойкость на основе рейтинга IP67 (en60529)
◆Модель разъема: AMP282104-1 (совместимый разъем AMP282080-1)
◆Размер сопла: 38 мм
◆Образование намотки двигателя: PPA GF
◆Оборудование насоса: алюминий
◆Подвеска: сталь
◆Объемная кружка: резиновая
Производительность

■ Давление системы
-0,5-2,5 бар (100°С).
Продолжительность службы составляет более 20 000 часов на основе номинального напряжения и температуры окружающей среды 36 °C ((86 °F).
■Параметр температуры
Средняя температура жидкости: от -40°C до +85°C (от -40°F до + 185°F)
Рабочая температура окружающей среды: от -40°C до +85°C (от -40°F до +185°F) Влажность ≤90%
Температура хранения: -40°C до +70°C (-40°F до +158°F) (до 100°C, но это сократит срок службы)
Общий размер насоса

