
■ Применение
Широко используется в гибридных автобусах, гибридных легковых автомобилях, электромобилях, поездах, судах и других системах циркуляции отопления и охлаждения.
■ Особенности
◆Центрифугальный насос
◆Передача магнитной силы
◆Высокоэффективный бесшовный постоянный двигатель, низкое потребление энергии, высокая эффективность, длительный срок службы.
◆С широким диапазоном температуры работы
◆Управление скоростью сигнала PWM
◆Выход диагностического сигнала
◆С постоянным регулированием потока
◆Защита от обратной полярности
◆Защита от сухого движения
◆Защита от перенапряжения и перенапряжения
◆Перегрузка, защита от перегрева
■ Техническое описание (связанные части, контактирующие с жидкостью)
корпус насосной головки: литьевые сплавы алюминия
Импеллер: PPS+GF Щитная полость: PPS+GF
Рукав вала: карборундовые композитные материалы вал: нержавеющая сталь ((3CR14) вал
Магнитный корпус: пластиковая капсуляция PPS Печать кольца: EPDM
EMC: Степень 3 Шум:≤61dB
■ Двигательное устройство (включая двигатель) Двигательный ротор: ППС пластиковый капсулированный магнит Винты и гайки: SUS 304 из нержавеющей стали Двигательный двигатель: бесшовный постоянный ток
Моторная проволока: PPA GF
Оборудование для насоса: алюминиевый корпус для литья с пескоструйным и анодирующим способом + PE-покрытие в виде порошка.
Подвеска: сталь
Кружок для поддержки: нержавеющая сталь US 304 водонепроницаемая на основе рейтинга IP68 (en60529)
Модель соединителя: AMPHENOL C-ATP04-4P-PD01NFK ((соответствующий розетка: AMPHENOL C-ATP06-4s-RD01NFK)
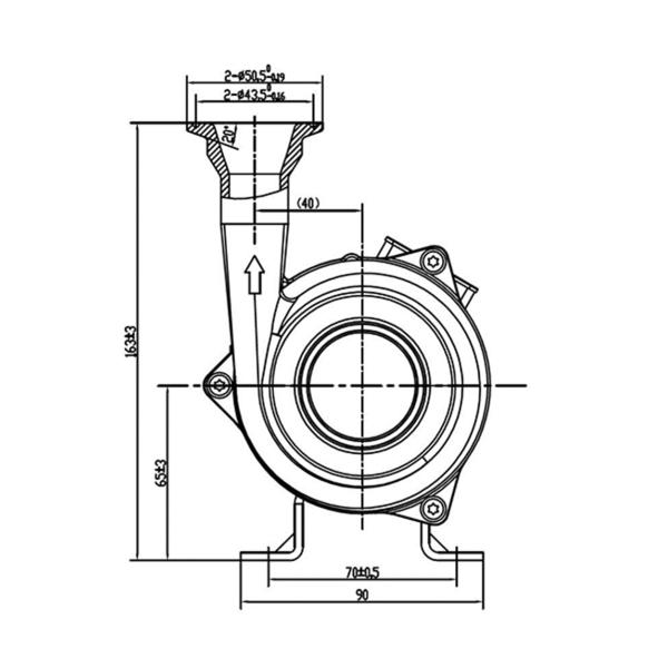
Диаметр сопла: 50,5 мм (2 дюйма)
■ Инструкции по монтажу
Насосы серии OWP-BL43-440C представляют собой центробежные насосы, для которых требуется предварительное заполнение,
Насос установлен в самом низком положении системы, чтобы гарантировать, что винт всегда погружен в жидкость, или предварительно заполненный насос перед включением.
1: насос не должен работать в сухом режиме, хотя он может работать в сухом режиме в течение 15 минут (после 15 минут работы в сухом режиме он автоматически остановится), работа в сухом режиме будет производить шум,также увеличивает абразию вала и рукава вала.
2: Используйте трубу рекомендуемого диаметра, соединяющую впуск насоса, если вы используете впуск насоса шланга меньшего диаметра.Внешний воздух легче попасть в насос через трубопровод, это приведет к снижению производительности насоса, а также воздушные пузыри нанести ущерб насосу.
3: С точки зрения направления входа в насос, винт вращается по часовой стрелке (см. стрелку на выходе).
4: Насос может быть установлен вертикально или горизонтально (см. рисунок 1).
5:Для того чтобы избежать сухого хода (воздух застрял в винтере), выход водонасоса должен быть вертикальным или в верхней части винтера (см. рисунок 1).
6: Присоединенная труба должна быть установлена вертикально (или без локтя в 20 см), чтобы воздух легко выпускался, выпускная труба не должна использоваться менее чем на 90 градусов локтя (см. рисунок 2).
7: Нельзя использовать морскую воду или другое тяжелое загрязнение с крупнозернистыми примесями жидкости в качестве жидкой среды.

■ Параметр температуры
Средняя температура жидкости: от -40°C до +85°C (от -40°F до +185°F) Рабочая температура окружающей среды: от -40°C до +120°C (от -40°F до +248°F) Температура хранения: от -40°C до +70°C (от -40°F до +158°F)
(до 100 °C, но это сократит срок службы)
■ Давление системы
-0, 2 - 2,5 бара (100°С).
Продолжительность службы составляет более 20 000 часов на основе номинального напряжения и температуры окружающей среды 36 °C ((86 °F).
■ Диапазон напряжения
Номинальный водонасос 24 В, рабочий диапазон 18 - 32 В
Хотя двигатель может использоваться в широком диапазоне напряжения и температуры, но чрезмерное или слишком низкое напряжение и температура повлияют на срок службы двигателя.насос не может подвергаться воздействию теплового излучения окружающей среды;.


■ Внимание
1Рабочая температура окружающей среды: -40°C-120°C, следует стараться избегать близости к трехэлементной каталитической системе, газоразрядной трубе и двигателю во время установки,обеспечить температуру рабочей среды.
2Установка насоса должна быть максимально близка к низкому уровню воды, чтобы продлить срок службы насоса.
4. Пожалуйста, используйте насос далеко от пыльной среды, пыль вредна для уменьшения срока службы
5. Обратите внимание на чистоту воды, избегайте пробок и винтовки-блокированы, чтобы сократить срок службы насоса

■Внешнее измерение

