Мотор шестерни шагать DC PM25, используя для оборудование платежного учреждения, оборудование радиосвязей
Мотор DC PM25 шагая
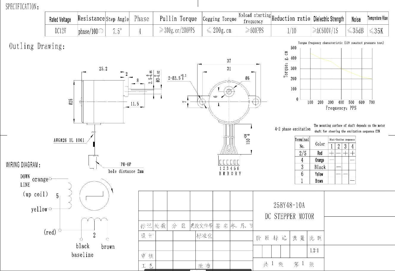
Мотор торможения постоянного магнита 25BYJ stepper имеет
характеристики простого механизма, малошумные,
изменяемая скорость, длинный срок службы.
Параметры:
| Модель | угол шага | Расклассифицированное напряжение тока | Коэффициент уменьшения | Сопротивление | Вращающий момент Pullin | Располагать собственной личности мотора вращающий момент | Noload начиная частоту | Noload управляя частотой | Участок |
| (°) | V DC | I | Ω | g.cm (200pps) | g.cm | pps | pps | ||
| 25BYJ-10A | 3.75/10 | 12 | 1/10 | 30 | 300 | 200 | 400 | 600 | 4 |
| 25BYJ-30A | 3.75/30 | 5 | 1/30 | 10 | 450 | 350 | 500 | 600 | 4 |
| 25BYJ-50A | 7.5/50 | 12 | 1/50 | 30 | 800 | 600 | 400 | 600 | 2 |
| 25BYJ-100A | 7.5/100 | 12 | 1/100 | 30 | 1200 | 800 | 500 | 600 | 2 |
| Выше нормальные продукты, мы могут сделать как запрос клиента. | |||||||||
Чертеж:

Применение:
Этот мотор широко используя inPrinters, фотокопировальные устройства, факсы, блоки развертки, машинное оборудование ткани, медицинский, режим автоматического управления.