Тип строки SMT заголовка 1.27mm коробки двойной с колышками обеспечивает различные высоты продуктов
Что заголовок коробки
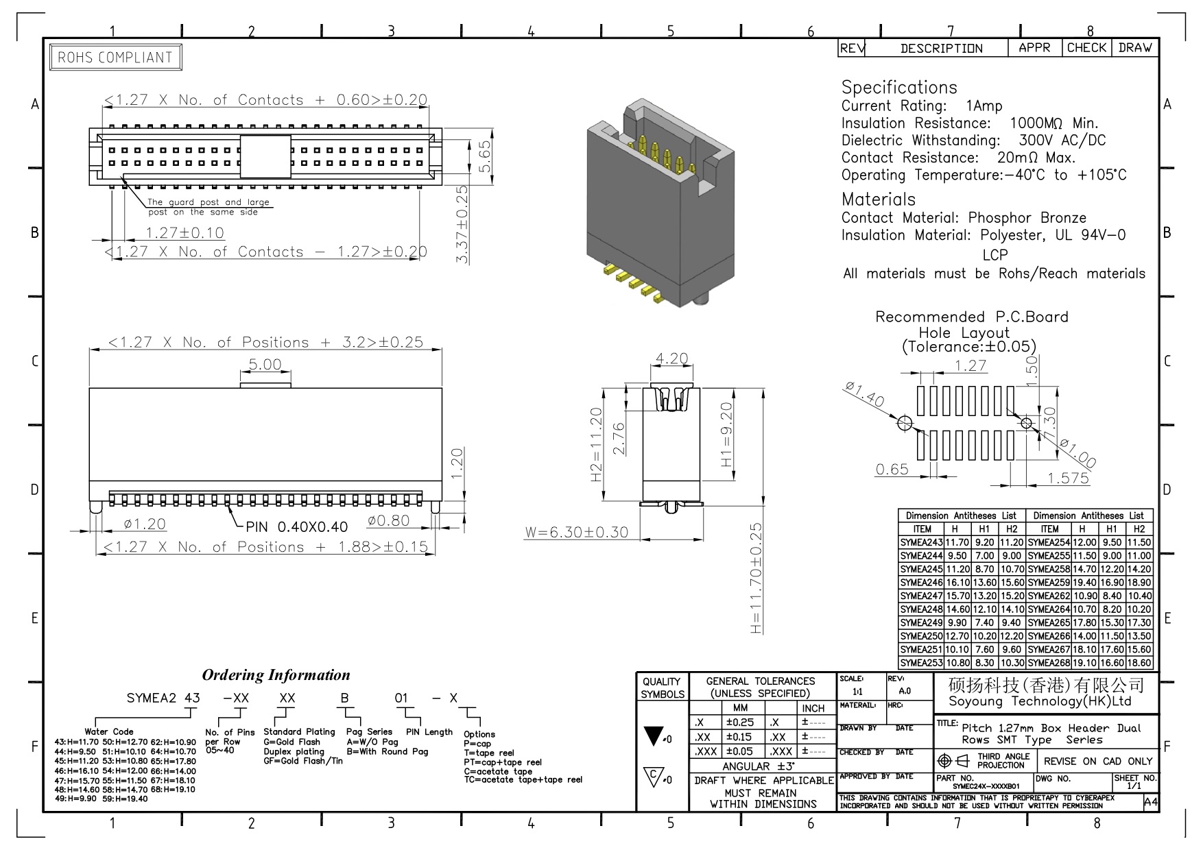
Заголовок коробки обычно вызван: что обычно составлено квадратного пластикового гнезда и нескольких квадратных штырей аранжированных в заказе. Разница между простым соединителем вола и соединителем рожка вола что простой соединитель рожка вола извлекает пряжки на обеих сторонах. Классификация заголовка коробки: Заголовок коробки разделен в заголовке коробки тангажа o 1.27mm, заголовке коробки тангажа 2.0mm и заголовке коробки тангажа 2.54mm согласно датчику иглы PIN. Диаметр квадратных используемых игл строки будет изменен соответственно согласно различному тангажу. Согласно форме установки, его можно разделить в заголовке коробки иглы o прямом, изогнутом заголовке коробки иглы и заголовке коробки заплаты SMT. Функция заголовка коробки: Заголовок коробки сварен на доске PCB, подключает кабель IDC соответствуя спецификаций, и после этого формирует режим соединения цепи необходим дизайнером с другими цепями. Обычно использовал для того чтобы передать сигналы управления и слабые течения. Применение заголовка коробки: Продукты широко использованы в mainboard компьютера, жидкокристаллическом дисплее, карте радиосвязи, памяти, мобильном жестком диске, читателе карты, цифровой фотокамере, MP3, PDA, ТВ жидкого кристалла, переключателе, телефоне прибора анти--похищения автомобиля, видео-, беспроводном телефоне и различном оборудовании связи.

Почему выберите Soyoung
1. Мы оцениваем время, как большая валюта. Она известна что вы можете никогда не получать назад потерянное время. Все наши продукты сконцентрированы эта идея. На Soyoung, мы обеспечиваем самый лучший путь решения сохранить ваше время.
2. Мы глубоко совершены к здоровью и безопасности мира. CNJWY снабжало систему экологического управления 9001:2004 ISO.
3. Все продукты доступны для подгонянной упаковки согласно вашему требованию.
4. Большинств эффективное произведение делает быструю доставку, которая убеждалась бы времени выполнения всегда впереди вашего ожидания.
Как приказать
1. Обеспечьте известный такого ect Samtec/Molex/FCI/JST) номер детали бренда (или ваш метод дизайна. Мы предложим вам нашу часть для проверки.
2. Выберите нашу часть вебсайта и отправьте электронную почту к нашим продажам объединяйтесь в команду.
3. Небольшой заказ радушен.
Как к паковать
Мы обеспечиваем методы гибкой упаковки для того чтобы соотвествовать различные. Для женского соединителя заголовка, 4 метода упаковки:
1. Упаковка подноса, соответствующая для ручного собрания.
2. Упаковка трубки, соответствующая для ручного собрания.
3. Упаковка вьюрка с лентой, соответствующей для автоматического произведения машины
4. Упаковка вьюрка с крышкой, соответствующей для автоматического произведения машины