GS03 Цифровая кнопка для вращающегося потенциометра
Быстрая подробность
7/8 дюйма диаметра.
Аналоговый.
Проектировано для металлического вала.
Соответствует RoHS.
Описание
Цифровой стол GS03 для счета поворотов - это точный прибор, предназначенный для точного счета и отображения поворотов или вращений в различных механических и электрических приложениях.Он имеет прочную конструкцию и точный механизм передач, который обеспечивает надежную производительность и долговечность даже в сложных условиях.
Ключевые особенности циферблата GS03 включают:
Высокая точность:Обеспечивает точное подсчет и отображение поворотов или вращений, необходимых для приложений, требующих точного измерения и контроля.
Прочное строительство:Построен, чтобы выдерживать механический износ и факторы окружающей среды, обеспечивая долговечность и постоянную производительность.
Чистота:Предлагает четкие и легко читаемые маркировки, облегчающие быстрое и точное чтение подсчитанных поворотов.
Многофункциональное применение:Подходит для широкого спектра применений, в том числе в промышленных машинах, калибровке оборудования и электронных устройствах, где важно точное подсчет и управление.
Используется ли он в производственных машинах, лабораторных приборах или электронном испытательном оборудовании, циферблат GS03 для отсчета поворотов отличается своей надежностью и точностью,что делает его предпочтительным выбором для инженеров и техников, нуждающихся в точных возможностях измерения вращения.
Спецификация
Количество поворотов: от 0 до 15.
Диапазоны: 50 на смену.
Читаемость - более 10 поворотов: 2 части на 1000.
Напряжение с задействованным тормозом: 6,95 унций. (500 г-см) минимум.
Маркировка: черный на полированном хромированном фоне.
Блокировка тормоза.
Настроить винт: UNC N2-56, один включен.
Установите вращающий момент затягивания винта: минимум 16,94 Н-см (1,5 фунта).
Шестерковый ключ Размер: 0,05 дюйма. шестерковый.
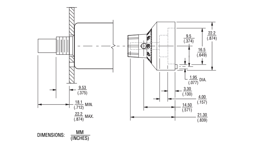
Расширение вала за пределами панели: 18,1 мм (0,712 дюйма) минимум 22,2 мм (0,875 дюйма) максимум.
Протяженность буширования за пределами панели: 9,53 мм (0,375 дюйма) максимум.
Размер

Опаковка
Спецификация упаковки: 50 штук/коробка, 200 штук/маленькая коробка; 1000 штук/главная коробка/65*35*30 см/22 кг.
Применение
GS03 Счет поворотов - это прецизионное устройство, используемое для точного измерения и отображения количества поворотов, сделанных вращающимся компонентом, таким как потенциометр или переменный конденсатор.Он обычно используется в различных специальных устройствах во многих отраслях промышленностиВот некоторые ключевые приложения:
Промышленное оборудование:
Панели управления: используются для точной настройки и калибровки настроек управления в промышленных машинах и системах автоматизации.
Испытательные и измерительные приборы: необходимы для точной настройки переменных резисторов и конденсаторов в таких устройствах, как осциллоскопы, генераторы сигнала и мультиметры.
Устройства связи:
Радиопередатчики: используются в тонко настроенных частотных настройках для четкой и стабильной связи.
Антенные тюнеры: используются для регулирования и измерения поворотов в тюнинговых катушках для оптимального приема и передачи сигнала.
Медицинские изделия:
Диагностическое оборудование: обеспечивает точную калибровку изобразительных устройств, таких как МРТ и КТ-сканеры, что способствует получению точных результатов диагностики.
Лабораторные приборы: используются в оборудовании, таком как спектрометры и центрифуги для тонкой регулировки параметров работы.
Аэрокосмическая и оборонная промышленность:
Системы авионики: критически важны для установки и мониторинга параметров управления в летательных приборах и навигационных системах.
Военное коммуникационное оборудование: используется для точного управления и калибровки различных коммуникационных и навигационных устройств.
Потребительская электроника:
Высококачественное аудио оборудование: обеспечивает точное регулирование настроек аудио в усилителях и эквалайзерах для превосходного качества звука.
Системы домашней автоматизации: используются в устройствах, требующих точной калибровки для оптимальной производительности.
Автомобильные системы:
Инструменты испытаний и калибровки двигателей: используются для тонкой настройки и измерения настройки в испытательном оборудовании, используемом для диагностики двигателя и настройки производительности.
Калибровка приборной панели: обеспечивает точную калибровку цифербляров и приборов измерения в автомобильных панелях управления.
Системы возобновляемой энергии:
Инверторы солнечной энергии: используются для точной настройки напряжения и тока для оптимизации эффективности преобразования энергии.
Контроллеры ветровых турбин: обеспечивают точную калибровку параметров управления для максимальной выработки энергии и стабильности.
Оборудование для научных исследований:
Микроскопы и оптические приборы: используются для тонкой настройки и калибровки фокуса и других настроек.
Ускорители частиц: критически важны для точного управления в экспериментальных установках, требующих точного измерения регулировок.
Цифровой циферблат GS03 является универсальным и надежным компонентом, необходимым для точного измерения и управления в широком диапазоне передовых электронных систем и устройств.Его применение в различных отраслях подчеркивает его важность в достижении точной и последовательной производительности.
Преимущество
Прямая поставка из завода, без посредников.
Завершенные сертификаты, такие как RoHS, REACH и т. д. и гарантия лучшего качества.
Достаточная производственная мощность, короткие сроки доставки.
Профессиональная служба послепродажного обслуживания.
OEM и ODM доступны.
Каталог продукции


