3214 Серия 0,25 Вт 5 Поворачивание 4 ММ Многораздельный Potentiometer Cermet Trimmer
Быстрая подробность:
■ Установка поверхности 4 мм квадрата / Многоразовой церемет / Промышленный / Запечатанный
■ Четыре терминальных стиля.
■ Номинальная мощность 0,25 Вт.
■ Высокая точность, точность регулируемая.
■ Надежная производительность.
■ Широкий диапазон сопротивления 50Ω-2MΩ, толерантность сопротивления 10%.
■ Эффективное путешествие составляет 4±2 поворота.
■ Общее механическое движение составляет 5 ± 2 поворота.
Описание:
Потенциометр крема 3214 серии является высоконадежным и точным компонентом, предназначенным для промышленных применений.Этот поверхностный монтаж триммер имеет компактный 4 мм квадратный форм-фактор и использует многоразовый сермет элемент для тонкой регулировкиОн доступен в четырех различных стилях терминалов для удовлетворения различных требований к монтажу.25W и предлагает широкий диапазон сопротивления от 50Ω до 2MΩ с терпимостью сопротивления 10%Эффективное расстояние регулировки составляет 4±2 оборота, в то время как общее механическое расстояние составляет 5±2 оборота, что обеспечивает высокую точность и регулируемость.триммер запечатан, чтобы выдержать обработку стирки доски, что делает его подходящим для условий, требующих надежной и надежной производительности.
Спецификация:
| Электрические характеристики | Номинальное сопротивлениеДиапазон | 50Ω~2MΩ |
| Сопротивление Толерантность | ± 10% | |
| Терминальное сопротивление | ≤ ± 1% R или 3Ω | |
| Изменение контактного сопротивления (CRV) | ≤ 3% R или 3Ω | |
| Сопротивление изоляции | 500 Vdc. R1≥1GΩ | |
| Выдерживать напряжение | 1010,3 кПа, 500 ваков; 8,5 кПа, 250 ваков | |
| Диэлектрическая прочность Уровень моря | 500 вак ((1 мин.) | |
| Эффективное путешествие | 4±2 поворота | |
| Характеристики среды | Термостойкость сварки | 250 градусов, 10 секунд. |
| Номинальная мощность | 70°С,0.25W;125°C,0W | |
| Температурный диапазон | -55°C ~ + 125°C | |
| Коэффициент температуры | ±250,±100 ppm /°C | |
| Изменение температуры | ΔR≤±2%R, Δ(Uab/Uac)≤±1% | |
| Столкновение | 10-500 Гц,00,75mm,6h ΔR≤±1%R, Δ ((Uab/Uac) ≤ ± 2% |
|
| Вибрация | 100G, ΔR≤±1%R,Δ(Uab/Uac)≤±2% | |
| Электрическая выносливость при 70°C | 1000 часов @ 70°C Номинальная мощность; ΔR≤±3%R | |
| Механическая стойкость | 200 циклов,ΔR≤±3%R | |
| Физические характеристики | Общий механический путь | 5±2 поворота |
| Начальный момент | ≤ 25 мН.м | |
| Крутящий момент сцепления | ≤ 35 мН.м |
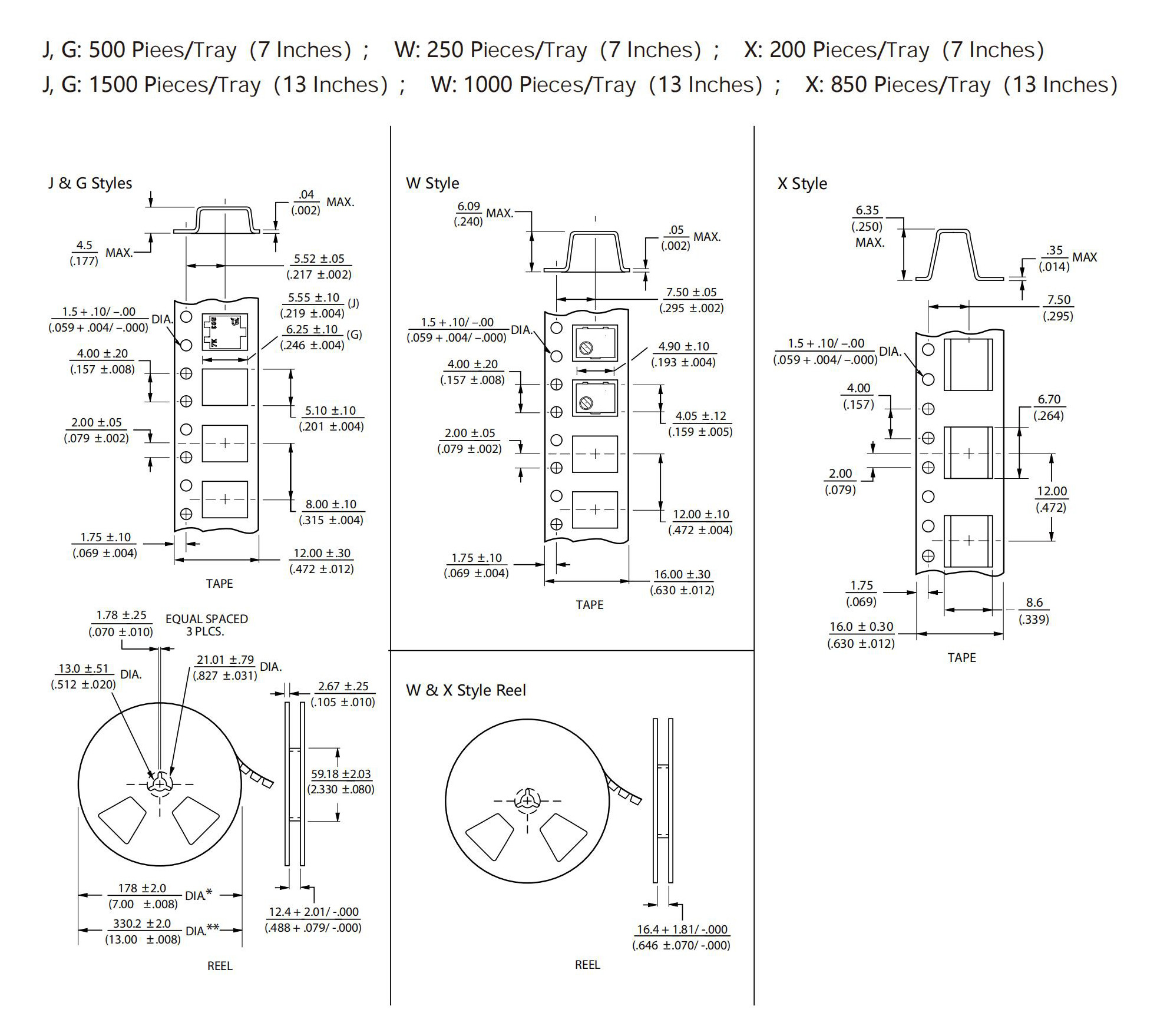
Размер:
Размеры в мм, допуски ±0,30 мм, если не указано иное.

Опаковка:
Спецификация упаковки

Применение:
Потенциометр крема 3214 серии является универсальным компонентом, который находит применение в различных устройствах и отраслях из-за своей точности, надежности и долговечности.Вот некоторые типичные приложения и отрасли, где 3214 серии сермет триммер потенциометр широко используется:
1Калибровка и настройка:
•Оборудование для испытаний и измерений: используется для калибровки приборов и мелкого настройки измерений.
•Осциллоскопы и генераторы сигнала: для точной регулировки параметров сигнала.
•Аналоговые и цифровые счетчики: обеспечение точных показаний и измерений.
2.Потребительская электроника:
•Аудиооборудование: регулирование тона и громкости в высокопроизводительных аудиосистемах.
•Телевизоры и радиоприемники: настройки для четкого приема сигнала.
•Игровые консоли: калибровка интерфейсов управления и настроек чувствительности.
3Промышленные системы управления:
•Оборудование для автоматизации: тонкая настройка датчиков и контактов управления в промышленной автоматизации.
•Робототехника: регулирование параметров для точного движения и работы.
•Контроллеры двигателей: установка параметров скорости и крутящего момента для электродвигателей.
4. Медицинские изделия:
•Диагностическое оборудование: калибровка датчиков и преобразователей для точной диагностики.
•Системы мониторинга пациентов: регулирование чувствительности и пороговых значений в устройствах мониторинга.
•Терапевтические устройства: обеспечение точного контроля параметров лечения.
5.Оборудование для связи:
•Радиочастотные (RF) устройства: схемы настройки и сопоставления в оборудовании для радиочастотных коммуникаций.
•Телекоммуникационная инфраструктура: регулирование уровня сигнала и параметров в сетевом оборудовании.
6Автомобильная электроника:
•Управляющие агрегаты двигателя (ECU): тонко настроенные параметры для оптимальной производительности двигателя.
•Инструменты приборной панели: калибровка приборов измерения и показателей.
•Информационно-развлекательные системы: регулировка настроек звука и дисплея.
Прочная конструкция потенциометра 3214 серии с высокой устойчивостью к факторам окружающей среды делает его подходящим для применений, где точность и надежность имеют первостепенное значение.Его использование при тонкой настройке и калибровке гарантирует, что устройства работают в пределах своих оптимальных параметров, улучшая производительность и долголетие.
Преимущество:
• Прямая поставка из завода, без посредников.
• Завершенные сертификаты, такие как UL, RoHS, SGS и т.д., и лучшая гарантия качества.
• Достаточная производственная мощность, короткие сроки доставки.
• Профессиональная служба послепродажного обслуживания.
• OEM и ODM доступны.