
Преимущества:
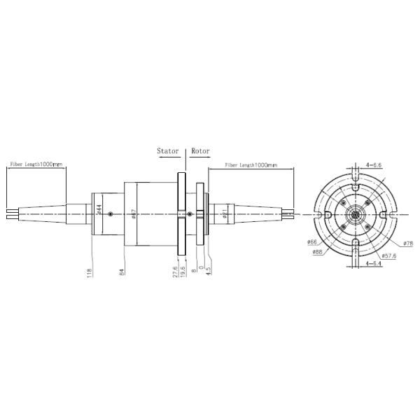
Размеры:

Спецификации:
| Диапазон длины волны | 650-1650 нм | Вносимая потеря | дБ ≤2 (типичный: <0> |
| Пульсация вносимой потери | <> | Возвращенная потеря (СМ) | дБ ≥40 |
| Максимальная скорость | 1 000 рпм | Вытягивать прочность | 10 н (ум буфер 900) |
| Начните вверх вращающий момент | <0> | Оцененный жизненный цикл | 200-400 миллионов революции |
| Оптически регуляция силы | дБм 23 | Работая температура | -40°К к °К 85 |
| Температура хранения | -50°К до 85 К°К | Стиль пакета | Отрезки провода на обоих концах |
| Материал снабжения жилищем | Нержавеющая сталь | Типы волокна | Одиночная или мультимодная куртка в/3 мм (Кевлар/ПВК) |
| Типы соединителя | ФК, СК, СТ, СМА, или ЛК | Размеры | дя 6,8 мм. кс длина 28 мм |
| Вес | 10 г | Оценка ИП | ИП 68 для всех моделей, ИП66 доступное |
| Вибрация | МИЛ-СТД-167-1А | Механический удар | МИЛ-СТД-810Г |
Применения:
• Между в подводными роботом и кораблем контроля
• Между в антенной радара и бортовой системой обработки сигнала
• С консолью тела автомобиля башни колесницы вращая
• Между в роботом заварки и консолью
• Удаленные механические входные и выходные устройства и контроль
• Светоэлектрический теодолит
• Связь между отслеживать платформы и корабля
Инструкции установки:


Почему выбрать кольцо выскальзывания ДЖАРКХ?
ДЖАРКХ Компания профессиональный изготовитель кольца выскальзывания в Шэньчжэне, Китае. ДЖАРКХ имеет, который стали один из самых знаменитых китайских брендов в мире для высококачественных колец выскальзывания и первосортных обслуживаний. В виду того что мы были основаны в 1998, мы были совершены к кольца выскальзыванию инноватинг, превращаться и изготовлять высококачественные и обеспечивающ идеальные решения вращения для клиентов по всему миру.
С опытом больше чем 14 лет в поле, ДЖАРКХ устанавливало долгосрочные отношения дела с межнациональными корпорациями, научно-исследовательскими институтами, отделами военн-индустрии, известными университетами так же, как много компаниями в различных индустриях в стране и за рубежом.
Мы специализируем в изготовленных на заказ решениях колец выскальзывания портняжничанных для того чтобы соотвествовать вашего проекта для представления, испытания, квалификации и доставки. Наши команды понимают важность всестороннего планирования проекта обеспечивающ успех вашего проекта.
Не смогите найти решение колец выскальзывания права?
На ДЖАРКХ Компании, мы стремимся отвечать потребностямы наших клиентов. Если собрание от нашей типовой модели не приспосабливает ваши требования, то наша проектная группа будет работать с вами для того чтобы конструировать собрание кольца выскальзывания которое отвечает потребностямы вашей компании точные. С над 15 летами опыта ДЖАРКХ амассед над 10 000 чертежами, тысячами изготовленных на заказ дизайнов кольца выскальзывания и опытами поддерживая клиентов всемирно.