Модельное объяснение:
Электротехнические условия:
| Кольца | 6-24 | Настоящий | 2A |
| Напряжение тока | Никакие | Соединитель | M5 |
| Максимальная скорость | 500rpm | Общий диаметр | 55mm |
| Расквартировывать материал | Алюминиевый сплав | Вращающий момент | 0.05N.m; +0.03N.m/6rings |
| Срок пригодности | 50million | Материал контакта | Драгоценный металл: Золото-золото |
| Электрический шум | mΩ <5 | Контактное сопротивление | <2mΩ |
| Диэлектрическая прочность | 1000VDC@50Hz | Подводящий провод | UL Teflon® Awg26, Awg22, Awg16 |
| Сопротивление изоляции | 500MΩ@600VDC | Длины руководства | 300mm (12") |
| Работая Temp. | -40°C к 80°C | Защита | IP54 |
| Материалы | Неэтилированный, ROHS | Аттестованный | CE, FCC, UL, ROHS |

Особенность:
4 прохода пневматического
6-24 электрических цепей сигнализируют доступное
Максимальная скорость: 500rpm
Расквартировывать материал: Алюминиевый сплав
Материал контакта: Золото к золоту
Быстрые детали:
| Номер модели: | JSR-MQR4H-xE | Размер прохода (mm): | 3mm |
| Средства массовой информации прохода: | воздух обжатия | Электрические цепи: | 6 - 24 |
| Вольт AC/DC (v): | mV~240Vac/Vdc | Настоящий (a): | 2A |
| Скорость (rpm): | 500RPM | Размер трубки | 4mm, 6mm |
Описание:
Кольца выскальзывания можно использовать в любой электро-механической системе которая требует безудержного, непрерывного вращения пока переносящ силу или данные от неподвижного к вращая структуре.
Путь прохода поддержки 2-24 соединения серии JSR-MQR пневматический электрический роторный пневматический/гидравлический, оно может совместить с силой, сигналом, локальной сетью, USB, Devicenet, сетью контроля, Canbus по запросу. Он также смог быть установлен валом или опционной установкой фланца. Типы носителя прохода могут использовать воздух/газ, химикат, DI/воду из крана, масло, воду/гликоль.
JSR-MQR4H-xE обеспечивают 4 воздух прохода 3mm обжатый, силу circiuts комбайна 6~ 24 и singnal или выскальзывание локальных сетей электрическое кольцо. Кольцо выскальзывания обеспечить роторный фланец может быть установить на роторную таблицу.
Преимущества:
· Уникальный сигнал регулируя представление с минимальным электрическим линейным шумом
· Плотная упаковка, который нужно приспосабливать в самые требовательные ограничения по космоса
· Полно - совместимый и с сигналами уровня аналога и управления TTL
· Шарикоподшипники точности на длинная жизнь
· Загерметизированные блоки доступные, IP67 опционное
· Изрезанная анодированная алюминиевая конструкция
· Низкая цена, льготные цены
· Небольшой размер
· Быстрая доставка
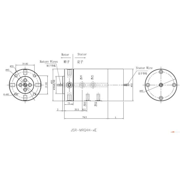
Размеры:

Длина кольца выскальзывания будет посоветована когда кольца и настоящие детали варианты. Пожалуйста контактируйте отдел JARCH технический.
Применения:
Промышленное машинное оборудование
Заполняя оборудование
Экспонат/индикаторное оборудование
Медицинское оборудование
подвергая механической обработке centerse
роторные таблицы индекса
Механическая рука
Лампа хирургии
тяжелые башенки оборудования или вьюрки кабеля
Вращающаяся дверь
Машина упаковки
Свертываясь спиралью машина
испытательное оборудование
машины упаковки
Инструкции установки:
Прифлянцованный:

Продукты JARCH главные:
Почему выбрать кольцо выскальзывания JARCH?
JARCH Компания профессиональный изготовитель кольца выскальзывания в Шэньчжэне, Китае. JARCH имеет, который стали один из самых знаменитых китайских брендов в мире для высококачественных колец выскальзывания и первосортных обслуживаний. В виду того что мы были основаны в 1998, мы были совершены к кольца выскальзыванию innovating, превращаться и изготовлять высококачественные и обеспечивающ идеальные решения вращения для клиентов по всему миру.
С опытом больше чем 19 лет в поле, JARCH устанавливало долгосрочные отношения дела с межнациональными корпорациями, научно-исследовательскими институтами, отделами военн-индустрии, известными университетами так же, как много компаниями в различных индустриях в стране и за рубежом.
Мы специализируем в изготовленных на заказ решениях колец выскальзывания портняжничанных для того чтобы соотвествовать вашего проекта для представления, испытания, квалификации и доставки. Наши команды понимают важность всестороннего планирования проекта обеспечивающ успех вашего проекта.
Не смогите найти правое решение колец выскальзывания?
На JARCH Компании, мы стремимся отвечать потребностямы наших клиентов. Если собрание от нашей типовой модели не приспосабливает ваши требования, то наша проектная группа будет работать с вами для того чтобы конструировать собрание кольца выскальзывания которое отвечает потребностямы вашей компании точные. Со сверх 19 летами опыта JARCH amassed над 10 000 чертежами, тысячами изготовленных на заказ дизайнов кольца выскальзывания и опытами поддерживая клиентов всемирно.
| Упаковывая детали: | Стандартный пакет коробки экспорта |
| Детали доставки: | Срок поставки на образец 3 дня/срок поставки для заказа зависят от количества Доставка: DHL, Federal Express, UPS или TNT ...... |
вопросы и ответы
| Q1: Вы фабрика или торговая компания? | ||||||||||
| : Мы профессиональный manufactory с высокопоставленной командой НИОКР. | ||||||||||
| Q2: Сколько типов колец выскальзывания вы имеете? | ||||||||||
| : Мы можем поставить все виды колец выскальзывания. Как minitary кольцо выскальзывания, подгонянный sliring, миниатюрное кольцо выскальзывания, кольцо выскальзывания волокна оптически, соединение RF роторное, HD типа совмещать, кольцо выскальзывания диска, кольцо выскальзывания энергии ветра, кольцо выскальзывания солнечной энергии, кольцо выскальзывания через-скважины, etc. | ||||||||||
| Q3: Можете вы поставить кольца выскальзывания с высокочастотными сигналами и (или) сигналами оптической связи. | ||||||||||
| : Да, мы можем поставить смешанные сигналы для того чтобы сместить кольца как ваша просьба. | ||||||||||
| Q4: что срок пригодности ваших колец выскальзывания. | ||||||||||
| : революции для стандартных одних, революции 30~50 миллионов 50~80 миллионов для особенных одних, Мы также можем поставить гораздо выше революции как ваше особенное требование. | ||||||||||
| Q5: Вы поставляете OEM и ODM? | ||||||||||
| : Да, мы поставляем OEM и ODM. | ||||||||||
| Q6: Какие технические данные должны быть обеспечены для нашей подгонянной модели кольца выскальзывания. | ||||||||||
| : Если вы хотите costomize особенная модель кольца выскальзывания, то вам нужно обеспечить детали как ниже: скорость a.operatring (RPM) размер c.outline d.channels (но. одиночного провода кроме кабеля) тип сигнала f.the и связанный температура h.IP g.operating (герметизируя требования) | ||||||||||
| Q7: Сколько времени ваша продукция время выполнения? | ||||||||||
| : Для этого нужны 7 до 15 дней для стандартных продуктов, 10 до 20 дней для простых подгонянных продуктов, 15 до 40 дней для сложных подгонянных porducts. | ||||||||||
| Q8: Что ваш порт доставки? | ||||||||||
| : Наш порт доставки Шэньчжэнь | ||||||||||
| Q9: Как сделайте вас доставка наши товары? | ||||||||||
| : Обычно небольшие заказы можно deliveried самолетом, большие заказы можно deliveried морским путем. Его можно обсудить перед поставлять. | ||||||||||
| Примечание: | ||||||||||
| Если вы имеете любой другой вопрос, то contac pls мы без колебаний. |