1 кольцо выскальзывания оптического волокна ММ канала електро оптически с 12 цепями 2А
Особенность:
Материал снабжения жилищем: нержавеющая сталь
Передайте данные по силы и быстрого хода.
Тип соединителя: ФК, СК, СТ, СМА, или ЛК
комбинация 12 электрических контуров + 1 волоконная оптика канала
Механический удар: МИЛ-СТД-810Г
Быстрые детали:
| Номер модели: | ДЖСР-ФЭ012-12С-ФО1 | Оптическое Чанннел: | 1 |
| Пульсация вносимой потери: | <> | Диапазон длины волны: | 650-1650 нм |
| Возвращенная потеря (СМ&ММ): | >дБ 40 (РПТ), | Вносимая потеря: | <2> |
| Электрические цепи: | 12 | течение: | 2А |
Упаковка & доставка:
| Упаковывая детали: | Стандартный пакет коробки экспорта |
| Детали доставки: |
Срок поставки: через 15 дней после получили оплату Грузить: ДХЛ, Федерал Экспресс, УПС или ТНТ ...... |
Описание:
Оптический-электрическое кольцо выскальзывания, обеспечивает самые лучшие технические решения. Особенно в потребности неограниченной, непрерывное или прерывистое вращение, и потребности от фиксированного положения повернуть сигналы данным по большой емкости положения передали оборудование, могут улучшить механические свойства, упрощенная работа энергетической системы, может объединить для использования с электронными кольцами выскальзывания, вызывает оптически-электрический гибридный слипринг, передает данные по силы и быстрого хода.
Преимущества:
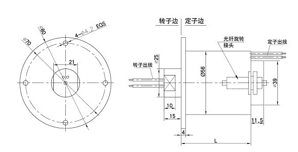
Размеры:

Инструкции установки:

Оптические спецификации роторного соединения
| Диапазон длины волны | 650-1650 нм | Вносимая потеря | дБ ≤2 (типичный: <0> |
| Пульсация вносимой потери | <> | Возвращенная потеря (СМ) | дБ ≥40 |
| Максимальная скорость | 2 000 рпм | Вытягивать прочность | 10 н (ум буфер 900) |
| Начните вверх вращающий момент | <0> | Оцененный жизненный цикл | 200-400 миллионов революции |
| Оптически регуляция силы | дБм 23 | Работая температура | -40°К к °К 85 |
| Температура хранения | -50°К до 85 К°К | Стиль пакета | Отрезки провода на обоих концах |
| Материал снабжения жилищем | Нержавеющая сталь | Типы волокна | Одиночная или мультимодная куртка в/3 мм (Кевлар/ПВК) |
| Типы соединителя | ФК, СК, СТ, СМА, или ЛК | Размеры | дя 6,8 мм. кс длина 28 мм |
| Вес | 10 г | Оценка ИП | ИП 68 для всех моделей |
| Вибрация | МИЛ-СТД-167-1А | Механический удар | МИЛ-СТД-810Г |
Электрические спецификации кольца выскальзывания
| Кольца | 12 | Настоящий | Сигнал 5А, |
| Напряжение тока | мВ~200 ВДК/ВАК | Максимальная скорость | 1000РПМ |
| Через размер скважины | Подходящее оптическое роторное соединение | Общий диаметр | 56мм (2,2") |
| Материал снабжения жилищем | Алюминиевый сплав | Вращающий момент | 0.05Н.м; +0.03Н.м/6рингс |
| Срок пригодности | 50миллион | Материал контакта | Золото-золото |
| Электрический шум | <5 m=""> | Контактное сопротивление | <2m> |
| Диэлектрическая прочность | 1000VDC@50Hz | Подводящий провод | УЛ Тефлон® Авг26, Авг22 |
| Сопротивление изоляции | 500МΩ@600ВДК | Длины руководства | 300мм (12") |
| Работая Темп. | -40°К к 80°К | Защита | ИП54, ИП68 опционное |
| Материалы | Неэтилированный, РОХС | Аттестованный | КЭ, ФКК |
Применения:
• Между в подводными роботом и кораблем контроля
• Между в антенной радара и бортовой системой обработки сигнала
• С консолью тела автомобиля башни колесницы вращая
• Между в роботом заварки и консолью
• Удаленные механические входные и выходные устройства и контроль
• Светоэлектрический теодолит
• Связь между отслеживать платформы и корабля
Контактируйте США

Продукты Джарч главные:
1. серия роторного соединения оптического волокна
2. Через серию кольца выскальзывания скважины
3. Электро оптически серия кольца выскальзывания
4. Гибридная серия кольца выскальзывания
5. Пневматическая серия роторного соединения
6. гидравлическая роторная серия соединения
7. Серия кольца выскальзывания капсулы
8. Серия кольца выскальзывания блинчика
9. Сильнотоковая серия кольца выскальзывания
10.высокоскоростнаясериякольцавыскальзывания
серия кольца выскальзывания 11.Тхэрмокупле
серия кольца выскальзывания 12.Минятуре
серия кольца выскальзывания турбины 13.Винд
серия кольца выскальзывания 14.Этернет
серия кольца выскальзывания 15.Эксплосионьпрооф
серия кольца выскальзывания 16.Меркуры
Почему выбрать кольцо выскальзывания ДЖАРКХ?
ДЖАРКХ Компания профессиональный изготовитель кольца выскальзывания в Шэньчжэне, Китае. ДЖАРКХ имеет, который стали один из самых знаменитых китайских брендов в мире для высококачественных колец выскальзывания и первосортных обслуживаний. В виду того что мы были основаны в 1998, мы были совершены к кольца выскальзыванию инноватинг, превращаться и изготовлять высококачественные и обеспечивающ идеальные решения вращения для клиентов по всему миру.
С опытом больше чем 19 лет в поле, ДЖАРКХ устанавливало долгосрочные отношения дела с межнациональными корпорациями, научно-исследовательскими институтами, отделами военн-индустрии, известными университетами так же, как много компаниями в различных индустриях в стране и за рубежом.
Мы специализируем в изготовленных на заказ решениях колец выскальзывания портняжничанных для того чтобы соотвествовать вашего проекта для представления, испытания, квалификации и доставки. Наши команды понимают важность всестороннего планирования проекта обеспечивающ успех вашего проекта.
Не смогите найти решение колец выскальзывания права?
На ДЖАРКХ Компании, мы стремимся отвечать потребностямы наших клиентов. Если собрание от нашей типовой модели не приспосабливает ваши требования, то наша проектная группа будет работать с вами для того чтобы конструировать собрание кольца выскальзывания которое отвечает потребностямы вашей компании точные. С над 19 летами опыта ДЖАРКХ амассед над 10 000 чертежами, тысячами изготовленных на заказ дизайнов кольца выскальзывания и опытами поддерживая клиентов всемирно.
вопросы и ответы
| К1: Вы фабрика или торговая компания? | ||||||||||
| А: Мы профессиональный мануфакторы с высокопоставленной командой НИОКР. | ||||||||||
| К2: Сколько типов колец выскальзывания вы имеете? | ||||||||||
| А: Мы можем поставить все виды колец выскальзывания. Как минитары кольцо выскальзывания, подгонянный слиринг, миниатюрное кольцо выскальзывания, кольцо выскальзывания волокна оптически, соединение РФ роторное, ХД типа совмещать, кольцо выскальзывания диска, кольцо выскальзывания энергии ветра, кольцо выскальзывания солнечной энергии, кольцо выскальзывания через-скважины, етк. |
||||||||||
| К3: Можете вы поставить кольца выскальзывания с высокочастотными сигналами и (или) сигналами оптической связи. | ||||||||||
| А: Да, мы можем поставить кольца выскальзывания смешанных сигналов как ваша просьба. | ||||||||||
| К4: что срок пригодности ваших колец выскальзывания. | ||||||||||
| А: революции 30~50 миллионов для стандарта одни, революции 50~80 миллионов для экстренныйого выпуска одни, Мы также можем поставить гораздо выше революции как ваше особенное требование. |
||||||||||
| К5: Вы поставляете ОЭМ и ОДМ? | ||||||||||
| А: Да, мы поставляем ОЭМ и ОДМ. | ||||||||||
| К6: Какие технические данные должны быть обеспечены для нашей подгонянной модели кольца выскальзывания. | ||||||||||
|
А: Если вы хотите костомизе особенная модель кольца выскальзывания, то вам нужно обеспечить детали как ниже: скорость а.оператринг (РПМ) размер к.оутлине д.чаннельс (нет одиночного провода кроме кабеля) тип сигнала ф.те и связанный температура х.ИП г.оператинг (требования к запечатывания) |
||||||||||
| К7: Сколько времени ваша продукция время выполнения? | ||||||||||
| А: Для этого нужны 7 до 15 дней для стандартных продуктов, 10 до 20 дней для простых подгонянных продуктов, 15 до 40 дней для пордукц подгонянных комплексом. |
||||||||||
| К8: Что ваш порт доставки? | ||||||||||
| А: Наш порт доставки Шэньчжэнь | ||||||||||
| К9: Как делаете вы доставка наши товары? | ||||||||||
| А: Обычно небольшие заказы можно деливерид самолетом, большие заказы можно деливерид морским путем. Его можно обсудить перед поставлять. |
||||||||||
| Примечание: | ||||||||||
| Если вы имеете любой другой вопрос, то контак пльс мы без колебаний. |