Соединение высокоскоростной воды стальное роторное, соединение воды 1.1mpa роторное
Техническое Tatings:
Максимальная скорость: 100r/min
Максимальное давление: 1.1Mpa
Средства массовой информации: Вода
Основная особенность:
Сильно структура жары радиационностойкая, который нужно использовать особенно для роликов сталеплавильного производства и непрерывного литья.
дизайн X-кольца Анти--вибрации для превосходного подъема обслуживания.
Внутренний паз смазки, который нужно быть наполненный пре со смазками быть свободный от постоянн смазки.
Импортированный дизайн кольца квадрата анти--носки для того чтобы держать примесь далеко от поверхности для заклеивания.
Сильно коррозионностойкий материал для prelonged деятельности под окружающей средой воды.

Соединение высокоскоростной воды стальное роторное, соединение воды 1.1mpa роторное
Преимущества:
1. Высокотемпературное, высоконапорное устойчивое вращая соединение трубы
2. соединения соответствующие для высокого давления, высокотемпературное thermic масло Изрезанный-конструкции, пар
3. Уплотнение импортировано от Германии, который гарантируют превосходное представление нашего роторного соединения.
4. Дизайн отделяемой структуры опорного плитя удобен для преобразования между одиночным и мульти--passsages
5. Польза баланса паллета графита компенсация весны, следовательно оно избегает будучи вытравливанным весны и увеличивает срок службы.
6. идеальный для термального масла и для значительно более высоких давлений, температур
7. Поливать из шланга сделал дуктильного литого железа и cover&rotor сделанных хромовой стали
8. Имейте высокотемпературную устойчивую весну
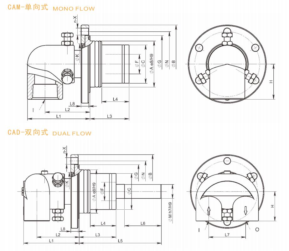
Чертеж:

Применения:
• Бумажное машинное оборудование
• стальной, гофрирующ, ткани,
• Красить, резиновый, пластмассы, химикат, механический инструмент
Инструкции установки:
Ваше соединение роторных систем роторное компонент который, при установке как следует, обеспечит длинное, жизнь точности утечки свободная. Пожалуйста следовать этими генеральными линиями при установке вашего соединения:
Соединения
Роторные соединения систем должны всегда быть установлены используя гибкие соединения. Для избежания повреждения к подшипникам, соединению нужно найти свой центр во время деятельности. Необходимо что или трудно-не пущены по трубам вал или снабжение жилищем.
Снабжение жилищем соединения следует придержать в тисках и гибкое соединение должно быть установлено перед установкой соединения с машиной.
Чистые гаечные резьбы и сторона вала до установки. Лента трубы тефлона пользы или sealant трубы на потоках NPT. Как директива, потоки NPT должны быть рукой плотной плюс 1 до 3 поворота для того чтобы загерметизировать потоки. При установке параллельных потоков, соотвествующие набивки или колцеобразные уплотнения должны быть использованы.
Должно быть небольшая, свободная от зубчик кривая в шланге при установке на оборудование. Необходимо снабжение жилищем или вал позволен плыть для того чтобы возмещать потерю любые ексцентриситеты и/или рассогласование.
Анти--вращение
Во многих случаях, соединения гибкого рукава использованы для анти--вращения. Другие применения требуют внешнего механизма для анти--вращения как вилка вокруг штуцеров, штыря, хомута или кронштейна. приборам Анти--вращения нужно «плыть» для предотвращения повреждения к соединению.
Фильтрация
Для предотвращения повреждения к валу или уплотнениям, роторные системы требуют фильтрации к 10 микронам или. Отказ сделать так может invalidate ваша гарантия и причинить преждевременный отказ.
Смазка
Если ваше соединение имеет штуцеры тавота, то смажьте соединение с не больше чем 2 насосами соотвествующего тавота в штуцер.
Продукты Jarch главные:
1. серия оптического волокна роторная совместная
2. Через серию кольца выскальзывания скважины
3. Electro оптически серия кольца выскальзывания
4. Гибридная серия кольца выскальзывания
5. Пневматическая роторная совместная серия
6. гидравлическая роторная серия соединения
7. Серия кольца выскальзывания капсулы
8. Серия кольца выскальзывания блинчика
9. Сильнотоковые seriels кольца выскальзывания
10.высокоскоростнаясериякольцавыскальзывания
серия кольца выскальзывания 11.Thermocouple
серия кольца выскальзывания 12.Miniature
серия кольца выскальзывания турбины 13.Wind
серия кольца выскальзывания 14.Ethernet
серия кольца выскальзывания 15.Explosionproof
серия кольца выскальзывания 16.Mercury
Почему выбрать кольцо выскальзывания JARCH?
JARCH Компания профессиональный изготовитель кольца выскальзывания в Шэньчжэне, Китае. JARCH имеет, который стали один из самых знаменитых китайских брендов в мире для высококачественных колец выскальзывания и первосортных обслуживаний. В виду того что мы были основаны в 1998, мы были совершены к кольца выскальзыванию innovating, превращаться и изготовлять высококачественные и обеспечивающ идеальные решения вращения для клиентов по всему миру.
С опытом больше чем 19 лет в поле, JARCH устанавливало долгосрочные отношения дела с межнациональными корпорациями, научно-исследовательскими институтами, отделами военн-индустрии, известными университетами так же, как много компаниями в различных индустриях в стране и за рубежом.
Мы специализируем в изготовленных на заказ решениях колец выскальзывания портняжничанных для того чтобы соотвествовать вашего проекта для представления, испытания, квалификации и доставки. Наши команды понимают важность всестороннего планирования проекта обеспечивающ успех вашего проекта.
Не смогите найти правое решение колец выскальзывания?
На JARCH Компании, мы стремимся отвечать потребностямы наших клиентов. Если собрание от нашей типовой модели не приспосабливает ваши требования, то наша проектная группа будет работать с вами для того чтобы конструировать собрание кольца выскальзывания которое отвечает потребностямы вашей компании точные. Со сверх 19 летами опыта JARCH amassed над 10 000 чертежами, тысячами изготовленных на заказ дизайнов кольца выскальзывания и опытами поддерживая клиентов всемирно.
вопросы и ответы
| Q1: Вы фабрика или торговая компания? | ||||||||||
| : Мы профессиональный manufactory с высокопоставленной командой НИОКР. | ||||||||||
| Q2: Сколько типов колец выскальзывания вы имеете? | ||||||||||
| : Мы можем поставить все виды колец выскальзывания. Как minitary кольцо выскальзывания, подгонянный sliring, миниатюрное кольцо выскальзывания, кольцо выскальзывания волокна оптически, соединение RF роторное, HD типа совмещать, кольцо выскальзывания диска, кольцо выскальзывания энергии ветра, кольцо выскальзывания солнечной энергии, кольцо выскальзывания через-скважины, etc. |
||||||||||
| Q3: Можете вы поставить кольца выскальзывания с высокочастотными сигналами и (или) сигналами оптической связи. | ||||||||||
| : Да, мы можем поставить смешанные сигналы для того чтобы сместить кольца как ваша просьба. | ||||||||||
| Q4: что срок пригодности ваших колец выскальзывания. | ||||||||||
| : революции для стандартных одних, революции 30~50 миллионов 50~80 миллионов для особенных одних, Мы также можем поставить гораздо выше революции как ваше особенное требование. |
||||||||||
| Q5: Вы поставляете OEM и ODM? | ||||||||||
| : Да, мы поставляем OEM и ODM. | ||||||||||
| Q6: Какие технические данные должны быть обеспечены для нашей подгонянной модели кольца выскальзывания. | ||||||||||
|
: Если вы хотите costomize особенная модель кольца выскальзывания, то вам нужно обеспечить детали как ниже: скорость a.operatring (RPM) размер c.outline d.channels (но. одиночного провода кроме кабеля) тип сигнала f.the и связанный температура h.IP g.operating (герметизируя требования) |
||||||||||
| Q7: Сколько времени ваша продукция время выполнения? | ||||||||||
| : Для этого нужны 7 до 15 дней для стандартных продуктов, 10 до 20 дней для простых подгонянных продуктов, 15 до 40 дней для сложных подгонянных porducts. |
||||||||||
| Q8: Что ваш порт доставки? | ||||||||||
| : Наш порт доставки Шэньчжэнь | ||||||||||
| Q9: Как сделайте вас доставка наши товары? | ||||||||||
| : Обычно небольшие заказы можно deliveried самолетом, большие заказы можно deliveried морским путем. Его можно обсудить перед поставлять. |
||||||||||
| Примечание: | ||||||||||
|
Если вы имеете любой другой вопрос, то contac pls мы без колебаний.
Свяжитесь мы:
|