Ядри JARCH 25.4mm 100M низкопробные t 4 через дизайн колец выскальзывания локальных сетей скважины
Особенность:
1.Broadband: Локальные сети (1000M низкопробный t)
2.Circuits: 4*2A+1*1000M низкопробный t
скорость 3.Max: 500rpm
4.ID/OD:25.4/78MM
5.Anti-jamming, очень низкая цена
Быстрые детали:
| Номер модели: | JSR-HE025-4SP-1E2 | Внутренний размер (mm): | 25.4mm |
| Наружный размер: | 78mm | Цепи: | (4X) 2A + (1X) основание-T 1000M |
| Вольт AC/DC (v): | mV~200Vac/Vdc | Настоящий (a): | 2A/5A/10A |
| Скорость (rpm): | 1~500RPM | широкополосный: | Локальные сети (1000M BaseT), |

Описание:
Кольца выскальзывания можно использовать в любой электро-механической системе которая требует безудержного, непрерывного вращения пока переносящ силу или данные от неподвижного к вращая структуре.
HE025 кольца выскальзывания локальных сетей baseT канала 1000M поддержки 4, с до размером скважины 25.4mm (1,0"), общий диаметр 78mm, стандартны, стандартный, Цвет-закодированные подводящие провода использованы как на статоре, так и на роторе для упрощенных электрических соединений.
Преимущества:
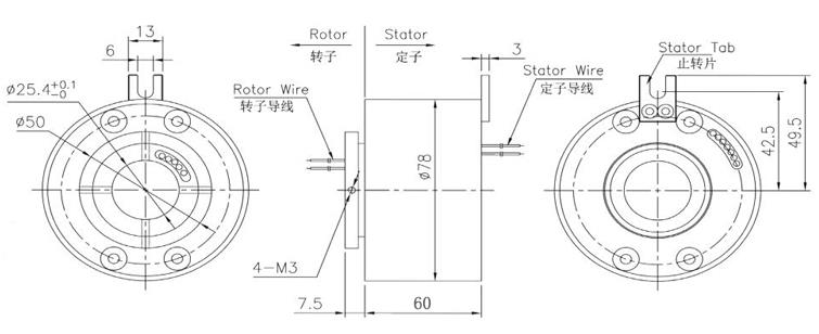
Размеры:
ID25.4mm, 100BT

ID25.4mm, 1000BT

Спецификации
| Спецификации локальных сетей | |||
| Локальные сети | 100M/1000M низкопробный t | Соединитель | RJ45 |
| Сила/сигнал | |||
| Кольца | 2~36 | Настоящий | Сигнал (2A) или 5A, 10A, |
| Напряжение тока | mV~200 VDC/VAC | Максимальная скорость | 500RPM |
| Через размер скважины | 25.4mm | Общий диаметр | 78mm (2,2") |
| Расквартировывать материал | Алюминиевый сплав | Вращающий момент | 0.05N.m; +0.03N.m/6rings |
| Срок пригодности | 50million | Материал контакта | Золото-золото |
| Электрический шум | <5 m=""> | Контактное сопротивление | <2m> |
| Диэлектрическая прочность | 1000VDC@50Hz | Подводящий провод | UL Teflon® Awg26, Awg22 |
| Сопротивление изоляции | 500MΩ@600VDC | Длины руководства | 300mm (12") |
| Работая Temp. | -40°C к 80°C | Защита | IP54 |
| Материалы | Неэтилированный, ROHS | Аттестованный | CE, FCC |
Применения:
• Экспонат/индикаторное оборудование
• Упаковка/создание программы-оболочки машинного оборудования
• Системы управления полупроводника
• Промышленное машинное оборудование
• роторные таблицы индекса
• Оборудование управления производственным процессом
• Тяжелые башенки оборудования или вьюрки кабеля
• Запасное освещение, машины робототехники Palletizing, вариант
• Медицинское оборудование | роторные датчики, запасное освещение, робототехника
• Миниатюрные вьюрки кабеля
Инструкции установки

Прифлянцованный:

Продукты Jarch главные:
1. серия оптического волокна роторная совместная
2. Через серию кольца выскальзывания скважины
3. Electro оптически серия кольца выскальзывания
4. Гибридная серия кольца выскальзывания
5. Пневматическая роторная совместная серия
6. гидравлическая роторная серия соединения
7. Серия кольца выскальзывания капсулы
8. Серия кольца выскальзывания блинчика
9. Сильнотоковые seriels кольца выскальзывания
10.высокоскоростнаясериякольцавыскальзывания
серия кольца выскальзывания 11.Thermocouple
серия кольца выскальзывания 12.Miniature
серия кольца выскальзывания турбины 13.Wind
серия кольца выскальзывания 14.Ethernet
серия кольца выскальзывания 15.Explosionproof
серия кольца выскальзывания 16.Mercury
Почему выбрать кольцо выскальзывания JARCH?
JARCH Компания профессиональный изготовитель кольца выскальзывания в Шэньчжэне, Китае. JARCH имеет, который стали один из самых знаменитых китайских брендов в мире для высококачественных колец выскальзывания и первосортных обслуживаний. В виду того что мы были основаны в 1998, мы были совершены к кольца выскальзыванию innovating, превращаться и изготовлять высококачественные и обеспечивающ идеальные решения вращения для клиентов по всему миру.
С опытом больше чем 19 лет в поле, JARCH устанавливало долгосрочные отношения дела с межнациональными корпорациями, научно-исследовательскими институтами, отделами военн-индустрии, известными университетами так же, как много компаниями в различных индустриях в стране и за рубежом.
Мы специализируем в изготовленных на заказ решениях колец выскальзывания портняжничанных для того чтобы соотвествовать вашего проекта для представления, испытания, квалификации и доставки. Наши команды понимают важность всестороннего планирования проекта обеспечивающ успех вашего проекта.
Не смогите найти правое решение колец выскальзывания?
На JARCH Компании, мы стремимся отвечать потребностямы наших клиентов. Если собрание от нашей типовой модели не приспосабливает ваши требования, то наша проектная группа будет работать с вами для того чтобы конструировать собрание кольца выскальзывания которое отвечает потребностямы вашей компании точные. Со сверх 19 летами опыта JARCH amassed над 10 000 чертежами, тысячами изготовленных на заказ дизайнов кольца выскальзывания и опытами поддерживая клиентов всемирно.
вопросы и ответы
| Q1: Вы фабрика или торговая компания? | ||||||||||
| : Мы профессиональный manufactory с высокопоставленной командой НИОКР. | ||||||||||
| Q2: Сколько типов колец выскальзывания вы имеете? | ||||||||||
| : Мы можем поставить все виды колец выскальзывания. Как minitary кольцо выскальзывания, подгонянный sliring, миниатюрное кольцо выскальзывания, кольцо выскальзывания волокна оптически, соединение RF роторное, HD типа совмещать, кольцо выскальзывания диска, кольцо выскальзывания энергии ветра, кольцо выскальзывания солнечной энергии, кольцо выскальзывания через-скважины, etc. |
||||||||||
| Q3: Можете вы поставить кольца выскальзывания с высокочастотными сигналами и (или) сигналами оптической связи. | ||||||||||
| : Да, мы можем поставить смешанные сигналы для того чтобы сместить кольца как ваша просьба. | ||||||||||
| Q4: что срок пригодности ваших колец выскальзывания. | ||||||||||
| : революции для стандартных одних, революции 30~50 миллионов 50~80 миллионов для особенных одних, Мы также можем поставить гораздо выше революции как ваше особенное требование. |
||||||||||
| Q5: Вы поставляете OEM и ODM? | ||||||||||
| : Да, мы поставляем OEM и ODM. | ||||||||||
| Q6: Какие технические данные должны быть обеспечены для нашей подгонянной модели кольца выскальзывания. | ||||||||||
|
: Если вы хотите costomize особенная модель кольца выскальзывания, то вам нужно обеспечить детали как ниже: скорость a.operatring (RPM) размер c.outline d.channels (но. одиночного провода кроме кабеля) тип сигнала f.the и связанный температура h.IP g.operating (герметизируя требования) |
||||||||||
| Q7: Сколько времени ваша продукция время выполнения? | ||||||||||
| : Для этого нужны 7 до 15 дней для стандартных продуктов, 10 до 20 дней для простых подгонянных продуктов, 15 до 40 дней для сложных подгонянных porducts. |
||||||||||
| Q8: Что ваш порт доставки? | ||||||||||
| : Наш порт доставки Шэньчжэнь | ||||||||||
| Q9: Как сделайте вас доставка наши товары? | ||||||||||
| : Обычно небольшие заказы можно deliveried самолетом, большие заказы можно deliveried морским путем. Его можно обсудить перед поставлять. |
||||||||||
| Примечание: | ||||||||||
| Если вы имеете любой другой вопрос, то contac pls мы без колебаний. |