Тип Electro оптически кольцо капсулы оптического волокна канала сигнала 1 Мульти-канала JARCH роторный совместный выскальзывания для оптически терминального робота
JSR-CS025-XE-1FM оптически электронное гибридное роторное кольцо выскальзывания комбинации составлено проводного кольца выскальзывания которое может передать электропитание, электропитание сигнала управления, аппаратуру и микро-электрический сигнал необходимо режимом автоматического управления компьютера и ровным кольцом который могут передать мультимодный однорежимный сигнал стекловолокна. Оно может разрешить проблему оптически сигнала и электрической передачи сигнала с вращением 360 градусов в то же время.
Electro оптически кольцу выскальзывания соответствующему для применений которые требуют неограниченного, непрерывного или прерывистого вращения, но также нужно перенести крупнотоннажные данные и сигналы от фиксированного положения к роторному положению. Оно может улучшить механическое представление, упрощает работу энергетической системы, и избегает повреждения к стекловолокнам причиненным вращением активных соединений. Его можно использовать совместно с традиционным электронным кольцом стечения для того чтобы сформировать гибридное электронно-оптическое кольцо стечения для того чтобы передать силу и высокоскоростные данные. Различные решения можно подгонять для того чтобы отвечать потребностямы программы.
| Электрические спецификации. | Варианты | ||
| Классифицируя напряжение тока | 380VAC | Фланец для установки | |
| Классифицируя течение | 5A /Ring, 10A /Ring, 15A /Ring | Направление выхода провода, длина опционное | |
| Сопротивление изоляции | 1000MΩ@500VDC | Смогите совместить больше цепей: 1-126Ring | |
| Диэлектрическая прочность | 600VDC@50Hz | Более высокое напряжение тока и настоящая емкость | |
| Электрический шум | 10mΩ@6VDC, 50mA, 5Rpm | Более высокое вращательное семя: 1000Rpm, 2500Rpm, 5000Rpm | |
| Механические спецификации | Окружающая среда | ||
| Скорость | 300Rpm | Работая температура | -40℃~+80℃ |
| Вращающий момент | 100N.cm | Механическая вибрация | MIL-SID-810E |
| Класс уплотнения | IP54 (IP68Options) | Влажность | не-конденсировать RH 10% до 90% |
| Материал контакта | Драгоценный металл | Материалы | Неэтилированный, RoHS уступчивое |
| Подводящий провод | провод 12color 1.0mm2Teflon | Аттестованный CE | УТВЕРДИТЕЛЬНЫЙ ОТВЕТ |
| Жизнь | революции 500million | * срок службы кольца выскальзывания определен работая скоростью, рабочей Средой и работая температурой кольца выскальзывания. | |
| Спецификация для FORJ | |
| Диапазон длины волны | 650-1650 nm |
| Вносимая потеря | <2db> |
| Потеря возвращения | >40dB (типичное: 45 dB, 2323 c), dB >50 (MJXA) |
| Максимальная скорость. | 2000 rpm |
| Компенсация давления | 1 000 psi (модельный RPC для более высокого давления) |
| Вытягивать прочность | 10 n (um буфер 900) |
| Оцененный жизненный цикл | 200-400 миллионов революции |
| Оптически handlin силы | dBm 23 |
| Работая температура | -40 до 80 c |
| Температура хранения | -50 до 85 c |
| Начните вверх вращающий момент | <0> |
| Стиль пакета | Отрезок провода или штепсельные розетки (FC, FC/APC, или ST) |
| Типы волокна | Одиночное или мультимодное jacke w/3 mm |
| Типы соединителя | Финиши FC, SC, ST, SMA, или LC (и APC) |
| Расквартировывать материал | Нержавеющая сталь |
| Вес | ~50 g |
| Оценка IP |
IP 68 для всех моделей |
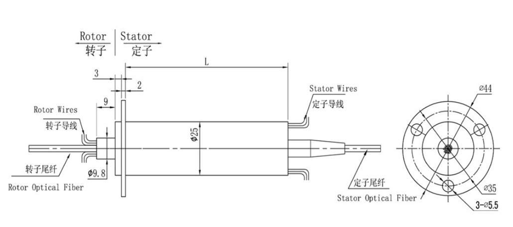
2D чертеж Electro оптически кольца выскальзывания


