кран электрического гидравлического телескопичного заграждения 10t10m морской для оффшорного вспомогательного судна
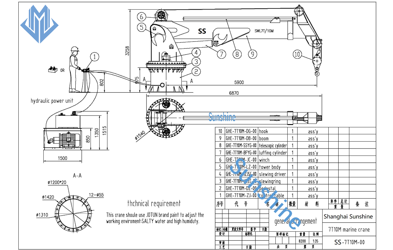
Краны телескопичного заграждения коробки морские конструированы как электрогидравлический управляемый телескопичный кран заграждения, с интегрированным электрогидравлическим пакетом силы или независимый электрогидравлический пакет силы, поставил как полный блок готовый для установки к учреждению. Телескопичные краны заграждения предлагают компактный размер когда в решении уложенного положения. Подгонянный к вашим необходимым спецификациям. Кран оборудован с гидравлическим приведенным в действие воротом, гидравлически приведенным в действие luffing, использующим энергию гидравлическ расширением, и гидравлической приведенной в действие системой slewing.
Технические данные
| 1 | SWL | 10t@10m |
| 2 | Максимальный работая радиус | 10m |
| 3 | Минимальный работая радиус | 2m |
| 4 | Хостинг скорости | 0~12m/min |
| 5 | Скорость при торможении | 0.7r/min |
| 6 | Угол Slewing | 360° свободное |
| 7 | Luffing время | 40s |
| 8 | Перемещение крюка | 25m |
| 9 | DFT картины | 320um |
| 10 | Время расширения | 20s |
| 11 | Условия труда | |
| Пятка | ≤ 5° | |
| Отделка | ≤ 2° | |
| 12 | Электрический двигатель | |
| Сила | 37Kw | |
| Скорость | 1480r/min | |
| Источник питания | 440V 50Hz, | |
| Защитите класс | F | |
| Работая тип | S1 | |
| 13 | Подача | 100L/min |
| 14 | Температура дизайна | -10°~40° |
| 15 | Мертвый груз | ~10000 kg |
Общий чертеж

фото нашей фабрики



