Описание втулки изоляции
1. Продукт принимает материал эпоксидной смолы. Он приобретает высокий уровень изоляции, интенсивности и стабильности.
2. Серия втулки использована для изоляции и переход соединения завершает с расклассифицированным напряжением тока 12KV, 24kv и 35KV.
3. Отливка вакуума эпоксидной смолы, желатин давления эпоксидной смолы APG, жидкостное образование геля кремнезема, мы всегда поставляем самые лучшие качественные продучты.
4. Оно может быть обнаружено аппаратурой рентгеновского снимка, конторой положило аппаратуру, термальную машину теста цикла.
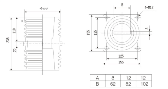
5 оно обеспечивает различные спецификации основанные на размере электрического тока для выбора потребителя, и проданные хорошо обоим в стране и за рубежом.


| Имя | Модель | Напряжение тока | Установите данные (mm) | Высота (mm) | Бренд |
| Втулка эпоксидной смолы | TG1-10Q/128 (100X100) | 12KV | 100X100 | 250 | DOWE |
| TG1-10Q/182 (125X125) | 125X125 | 235 | |||
| TG2-10Q/210 (152X152) | 152X152 | 260 | |||
| TG3-10Q/110X180 | 110X180 | 190 | |||
| TG3-10Q/140X200 | 140X200 | 230 | |||
| TG3-10Q/130X210 | 130X210 | 236 | |||
| TG3-24Q/175X255X218 | 24KV | 175X255 | 218 | ||
| TG3-24Q/175X255X310 | 175X255 | 310 | |||
| TG3-24Q/180X180X280 | 180X180 | 280 | |||
| TG3-24Q/190X190X330 | 190X190 | 330 | |||
| TG3-35Q/260X260X395 | 40.5KV | 260X260 | 395 | ||
| TG3-35Q/260X260X420 | 260X260 | 420 | |||
| TG3-35Q/260X260X450 | 260X260 | 450 | |||
| TG3-35Q/220X220X420 | 220X220 | 450 | |||
| TG3-35Q/180X180X550 | 180X180 | 550 |





