Равная форма и сваривая локоть 90 Deg штуцеров сварного соединения встык соединения санитарный стальной
| Материал: | Нержавеющая сталь, сталь углерода/нержавеющая сталь | Методы: | Выкованный | Тип: | Локоть, безшовный/прямолинейный шов |
| Место происхождения: | Шанхай, Китай (материк) | Номер модели: | 1/2» - 48" | Фирменное наименование: | TOBO |
| Соединение: | Заварка | Форма: | Равный | Главный код: | круг |
| Название продукта: | Равная форма и сваривая локоть 90 Deg соединения санитарный стальной | Стандарт: | ASME B16.11/ANSI/DIN/MSS-SP-97/JIS B2316 | Цвет: | Черная желтая белизна |
| Поверхностное покрытие: | Ржавчин-защитное черное смазочное минеральное масло/гальванизированный | Сертификат: | ISO9001: 2008/PED/ABS/CE | Угол: | 30/45/60/90/120/180 |
| Радиус загиба: | 1D/1.5D/2D/3D/5D | Тип продукции: | Выкованный/отливка |
| Упаковывая детали: | Деревянный случай /pallet или согласно запросу клиента |
| Деталь доставки: | 30 дней |
Локти: LR&SR 45D 90D 180Dor в другой степени;
Загибы: R=3D R=5D R=7D R=10D или как запросы клиентов;
Материал: Сталь углерода: ASTM/ASME A234 WPB/WPC; A420 WPL6; ASTM A860 WPHY42/52 /60/65/70/75, ST37.0, ST35.8, ST45.8, 10CRMo910, 15CrMo, 12Cr1MoV, etc;
Легированная сталь: A234 WP1/WP2/WP5/WP9/WP11/WP12/WP22/WP91, etc;
Нержавеющая сталь: A403 WP304/304L; WP316/316L/316H; WP347H, etc.
Размер: 1/2» ~24"; 26" ~96"
Толщина стены: SCH5S~XXS
Стандарт: ASTM/JIS/DIN/BS/GB
ASME B16.9, ASME B16.28, MSS SP43, DIN2605, DIN2617, DIN2516, JISB2311, etc; или дизайн как запросы клиентов;
Использование: Нефть, химикат, электростанция, etc

Самый лучший качественный локоть гнезда/локоть гнезда трубы


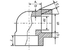
| Номинальный Диаметр | Глубина
Гнездо | Размер гнезда | Толщина стены | Центр, который нужно основать гнезда | ||||||||
| Cmin | 90°Elbow, тройник, крест | 45°Elbow | ||||||||||
| DN | NPS | Jmin | d1 | 3000LB Sch80 | 6000LB Sch160 | 9000LB XXS | 3000LB Sch80 | 6000LB Sch160 | 9000LB XXS | 3000LB Sch80 | 6000LB Sch160 | 9000LB XXS |
| 6 | 1/8 | 10 | 10,7 | 3,2 | 3,5 | - | 11 | 11 | - | 8 | 8 | - |
| 8 | 1/4 | 10 | 14,1 | 3,3 | 4,0 | - | 11 | 15 | - | 8 | 8 | - |
| 10 | 3/8 | 10 | 17,5 | 3,5 | 4,4 | - | 13 | 15 | - | 8 | 12 | - |
| 15 | 1/2 | 10 | 21,8 | 4,1 | 5,2 | 8,2 | 16 | 19 | 25 | 11 | 13 | 16 |
| 20 | 3/4 | 13 | 27,4 | 4,3 | 6,1 | 8,6 | 19 | 22 | 28 | 13 | 14 | 18 |
| 25 | 1 | 13 | 34,2 | 5,0 | 7,0 | 10,0 | 22 | 27 | 32 | 14 | 18 | 22 |
| 32 | 1.1/4 | 13 | 42,9 | 5,3 | 7,0 | 10,6 | 27 | 32 | 35 | 18 | 21 | 22 |
| 40 | 1.1/2 | 13 | 48,3 | 5,6 | 7,8 | 11,2 | 32 | 38 | 38 | 21 | 25 | 25 |
| 50 | 2 | 13 | 61,1 | 6,1 | 9,5 | 12,2 | 38 | 41 | 41 | 25 | 29 | 29 |
| 65 | 2.1/2 | 16 | 76,9 (73,8) | 7,7 | 12,5 | - | 41 | 57 | - | 29 | 32 | - |
| 80 | 3 | 16 | 89,8 | 8,3 | 13,8 | - | 57 | 64 | - | 32 | 35 | - |
| 100 | 4 | 19 | 115,5 | 9,4 | - | - | 66 | - | - | 42 | - | - |

