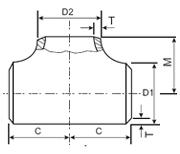
Тройник редуктора/крышка но сварка обрезанного конца штуцеры UNS S31254/ASTM A182 F44/254SMO/1,4547 1/2» до 60" SCH10S к SCH160
Нержавеющая сталь UNS S31254
Схема данных PDF
Акционеры нержавеющей стали UNS S31254 и поставщики поставщиков TOBOGROUP UNS S31254, высокой спецификации аустенитной нержавеющей стали молибдена. Свое высокое содержание молибдена совмещенное с элементами как никель и медь дает UNS S31254 превосходное сопротивление к делать ямки и корозии crevice. В кислотах содержа галоиды оно предлагает хорошее сопротивление к равномерной коррозии и главн к другим рангам аустенитной нержавеющей стали.
Мы приветствуем дознания экспорта для нержавеющей стали. Контактируйте наш офис по сбыту и советуйте с нашей грузя политикой для дальнейших подробностей.
Родственные спецификации
6 Mo 31254 254SMO F44 1,4547 ASTM A182
ASTM A479 ASTM A276 EN10272 ASME SA479
Анализ
Хромий 19.50-20.50% углерода 0,02% максимальный
Никель 17.50-18.50% марганца 1,00% максимальный
Кремний 0,70% максимальных молибдена 6.00-7.00%
Фосфористая 0,03% максимальных меди 0.50-1.00%
Азот 0.18-0.25% серы 0,01% максимальный
Форма поставки
TOBOGROUP поставщики нержавеющей стали UNS S31254 и акционеры круглого бара. Диаметры можно поставить спиленный к вашим требованиям. Плита UNS S31254 может быть отрезанной по заданному размеру плазмой. Смолотый бар можно поставить, снабжающ высококачественный бар земли точности ваши допуски в узких пределах.
Диаметр плиты листа
Применения
Нержавеющая сталь UNS S31254 идеально одета для пользы в галоидных окружающих средах и широко использована в химикате, морском, нефтяных промышленностях нефти и газ. Типичные применения включают насосы, клапаны, теплообменные аппараты, фланцы и коллекторы.
Коррозионная устойчивость
UNS S31254 предлагает высокоомное к ссадине, размыванию и кавитационной эрозии чем другие аустенитовые нержавеющие ранги как 316. UNS S31254 имеет превосходное сопротивление к корозии в морской воде и сконцентрированных галоидных окружающих средах, с хорошим сопротивлением к корозии crevice в морской воде.
Заварка
Нержавеющая сталь UNS S31254 охотно weldeable с процедурами по заварки используемыми для других спецификаций аустенитной нержавеющей стали. Заварка должна быть унесена на самое низкотермичное возможное как должном к своей структуре аустенита она может быть прональна к горячий трескать. Мы рекомендуем вас контакт ваш сваривая поставщик потребляемых веществ который должен обеспечить вам полные помощь и информацию на сваривать нержавеющую сталь UNS S31254.
Типичные физические свойства
°C Temp
Тепловое расширение Coefficientof середины ³ плотности Kg/m

Модуль ² /mSpecific HeatJ/kgºC20 8,0 16x10-6 20000 Elasticicykg/mmElectricalResistivityΩmm 0,5 500
![]() | |||||||||||||||||||||||||||||||||||||||||||||||||||||||||||||||||||||||||||||||||||||||||||||||||||||||||||||||||||||||||||||||||||||||||||||||||||||||||||||||||||||||||||||||||||||||||||||||||||||||||||||||||||||||||||||||||||||||||||||||||||||||||||||||||||||||||||||||||||||||||||||||||||||||||||||||||||||||||||||||||||||||||||||||||||||||||||||||||||||||||||||||||||||||||||||||||||||||||||||||||||||||||||||||||||||||||||||||||||||||||||||||||||||||||||||||||||||||||||||||||||||||||||||||||||||||||||||||||||||||||||||||||||||||||||||||||||||||||||||||||||||||||||||||||||||||||||||||||||||||||||||||||||||||||||||||||||||||||||||||||||||||||||||||||||||||||||||||||||||
| Название продукта: тройник нержавеющей стали прямой | |||||||||||||||||||||||||||||||||||||||||||||||||||||||||||||||||||||||||||||||||||||||||||||||||||||||||||||||||||||||||||||||||||||||||||||||||||||||||||||||||||||||||||||||||||||||||||||||||||||||||||||||||||||||||||||||||||||||||||||||||||||||||||||||||||||||||||||||||||||||||||||||||||||||||||||||||||||||||||||||||||||||||||||||||||||||||||||||||||||||||||||||||||||||||||||||||||||||||||||||||||||||||||||||||||||||||||||||||||||||||||||||||||||||||||||||||||||||||||||||||||||||||||||||||||||||||||||||||||||||||||||||||||||||||||||||||||||||||||||||||||||||||||||||||||||||||||||||||||||||||||||||||||||||||||||||||||||||||||||||||||||||||||||||||||||||||||||||||||||
| Деталь: Buttweld-тройник | |||||||||||||||||||||||||||||||||||||||||||||||||||||||||||||||||||||||||||||||||||||||||||||||||||||||||||||||||||||||||||||||||||||||||||||||||||||||||||||||||||||||||||||||||||||||||||||||||||||||||||||||||||||||||||||||||||||||||||||||||||||||||||||||||||||||||||||||||||||||||||||||||||||||||||||||||||||||||||||||||||||||||||||||||||||||||||||||||||||||||||||||||||||||||||||||||||||||||||||||||||||||||||||||||||||||||||||||||||||||||||||||||||||||||||||||||||||||||||||||||||||||||||||||||||||||||||||||||||||||||||||||||||||||||||||||||||||||||||||||||||||||||||||||||||||||||||||||||||||||||||||||||||||||||||||||||||||||||||||||||||||||||||||||||||||||||||||||||||||
| Детали: | |||||||||||||||||||||||||||||||||||||||||||||||||||||||||||||||||||||||||||||||||||||||||||||||||||||||||||||||||||||||||||||||||||||||||||||||||||||||||||||||||||||||||||||||||||||||||||||||||||||||||||||||||||||||||||||||||||||||||||||||||||||||||||||||||||||||||||||||||||||||||||||||||||||||||||||||||||||||||||||||||||||||||||||||||||||||||||||||||||||||||||||||||||||||||||||||||||||||||||||||||||||||||||||||||||||||||||||||||||||||||||||||||||||||||||||||||||||||||||||||||||||||||||||||||||||||||||||||||||||||||||||||||||||||||||||||||||||||||||||||||||||||||||||||||||||||||||||||||||||||||||||||||||||||||||||||||||||||||||||||||||||||||||||||||||||||||||||||||||||
| |||||||||||||||||||||||||||||||||||||||||||||||||||||||||||||||||||||||||||||||||||||||||||||||||||||||||||||||||||||||||||||||||||||||||||||||||||||||||||||||||||||||||||||||||||||||||||||||||||||||||||||||||||||||||||||||||||||||||||||||||||||||||||||||||||||||||||||||||||||||||||||||||||||||||||||||||||||||||||||||||||||||||||||||||||||||||||||||||||||||||||||||||||||||||||||||||||||||||||||||||||||||||||||||||||||||||||||||||||||||||||||||||||||||||||||||||||||||||||||||||||||||||||||||||||||||||||||||||||||||||||||||||||||||||||||||||||||||||||||||||||||||||||||||||||||||||||||||||||||||||||||||||||||||||||||||||||||||||||||||||||||||||||||||||||||||||||||||||||||