Спецификации
Номер модели :
Сплавы никеля Inconel 600/601/800, Inconel 801/718
Место происхождения :
Китай
Количество минимального заказа :
3pcs
Термины компенсации :
T / T, L / C, Western Union
Способность поставкы :
9990000PCS в месяц
Срок поставки :
15days
Упаковывая детали :
СЛУЧАЙ ИЛИ ПАЛЛЕТ PLY-WOODEN
Типы :
Conc.reducer; Редуктор Ecc
Материал :
Сплавы никеля Inconel 600/601/800, Inconel 801/718
Толщина: :
Sch5-Sch160, STD, XS, XXS
Стандарт: :
ANSI/ASTM B16.9/16.28, API 5L, DIN2617, JIS B2311/2312/2313
обработка: :
a) Слегка смазанный b) гальванизированный c) как требовалось
Описание

 

Никель сплавляет Inconel 600/601/800, редуктор 801/718 нержавеющей стали Inconel 10" x6» жулик/Ecc
 

 

Сплавы никеля   используйте для высокотемпературных и сильно въедливых средств массовой информации. Такие условия типичны для индустрии производства электроэнергии, химиката, нефтехимической промышленности, авиакосмического машиностроения. Предварительные основанные на никел высокопрочные сплавы традиционно имеют никель и хромий как их учреждение, с элементами как молибден, вольфрам и кобальт добавил для того чтобы посовещаться дополнительный твердый раствор усиливая. Где высокотемпературная прочность критическая, добавления алюминия, титана и ниобия, приводящ в высыпании твердея, необходимо добавить.

 

Материальные ранг/стандарт доступный

  

Сплав никеля

 

Материальная ранг (ASTM/ASME)

Стандартное доступное

Inconel

UNS N06600 UNS N06601 UNS N06625             UNS N08800 UNS N08810 UNS N08825

ASME SB167 SB423 SB407 SB444

Monel

UNS N04400

 

ASME SB165 SB163

Hastelloy

UNS N10276 (C 276) N06022 (C 22) N06455 (C 4)

ASME SB626 SB622

 

Ряд размера:

Безшовная труба

OD: Φ16mm-Φ114mm; ВЕС: 1.0mm-20mm

Сваренная труба

OD: Φ10mm-Φ273mm; ВЕС: 2mm-30mm

 

Химический состав & механическое свойство

UNS

Ni%

Cr%

Mo%

Cu%

Fe%

TS        Минута, Mpa

YS      Минута, Mpa

N04400

63 MIN.

/

/

28.0-34.0

2,50 максимальное

483

193

N06600

72 MIN.

14.0-17.0

/

0.50max

6.0-10.0

552

241

N06601

58.0-63.0

21.0-25.0

/

1,0 максимальное

 

552

207

N06625

58 MIN.

20.0-23.0

8.0-10.0

/

5,0 максимальное

827

414

N08800

30.0-35.0

19.0-23.0

/

0,75 максимальное

39.5min.

517

207

N08825

38.0-46.0

19.5-23.5

2.5-3.5

1.5-3.0

22,0 MIN.

586

241

 

 

 

Сплавы никеля Inconel 600/601/800, редуктор 801/718 нержавеющей стали Inconel 10 Сплавы никеля Inconel 600/601/800, редуктор 801/718 нержавеющей стали Inconel 10 Сплавы никеля Inconel 600/601/800, редуктор 801/718 нержавеющей стали Inconel 10
 
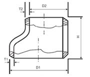
Название продукта: редуктор нержавеющей стали эксцентричный
Деталь: Buttweld-редуктор
Детали:

Номинальный диаметр
Внешний диаметр
Непрерывной цепью
D1*D2
DN NPS Серия a Серия b H
20×15 3/4×1/2 26.9×21.3 25×18 38
20×10 3/4×3/8 26.9×17.3 25×14 38
25×20 1×3/4 33.7×26.9 32×25 51
25×15 1×1/2 33.7×21.3 32×18 51
32×25 1.1/4×1 42.4×33.7 38×32 51
32×20 1.1/4×3/4 42.4×26.9 38×25 51
32×15 1.1/4×1/2 42.4×21.3 38×18 51
40×32 1.1/2×1.1/4 48.3×42.4 45×38 64
40×25 1.1/2×1 48.3×33.7 45×32 64
40×20 1.1/2×3/4 48.3×26.9 45×25 64
40×15 1.1/2×1/2 48.3×21.3 45×18 64
50×40 2×1.1/2 60.3×48.3 57×45 76
50×32 2×1.1/4 60.3×42.4 57×38 76
50×25 2×1 60.3×33.7 57×32 76
50×20 2×3/4 60.3×26.9 57×25 76
65×50 2.1/2×2 73.0×60.3 76×57 89
65×40 2.1/2×1.1/2 73.0×48.3 76×45 89
65×32 2.1/2×1.1/4 73.0×42.4 76×38 89
65×25 2.1/2×1 73.0×33.7 76×32 89
80×65 3×2.1/2 88.9×73.0 89×76 89
80×50 3×2 88.9×60.3 89×57 89
80×40 3×1.1/2 88.9×48.3 89×45 89
80×32 3×1.1/4 88.9×42.4 89×38 89
90×80 3.1/2×3 101.6×88.9 - 102
90×65 3.1/2×2.1/2 101.6×73.0 - 102
90×50 3.1/2×2 101.6×60.3 - 102
90×40 3.1/2×1.1/2 101.6×48.3 - 102
90×32 3.1/2×1.1/4 101.6×42.4 - 102
100×90 4×3.1/2 114.3×101.6 - 102
100×80 4×3 114.3×88.9 108×89 102
100×65 4×2.1/2 114.3×73.0 108×76 102
100×50 4×2 114.3×60.3 108×57 102
100×40 4×1.1/2 114.3×48.3 108×45 102
125×100 5×4 141.3×114.3 133×108 127
125×90 5×3.1/2 141.3×101.6 - 127
125×80 5×3 141.3×88.9 133×89 127
125×65 5×2.1/2 141.3×73.0 133×76 127
125×50 5×2 141.3×60.3 133×57 127
150×125 6×5 168.3×141.3 159×133 140
150×100 6×5 168.3×114.3 159×108 140
150×90 6×3.1/2 168.3×101.6 - 140
150×80 6×3 168.3×88.9 159×89 140
150×65 6×2.1/2 168.3×73.0 159×76 140
200×150 8×6 219.1×168.3 219×159 152
200×125 8×5 219.1×141.3 219×133 152
200×100 8×4 219.1×114.3 219×108 152
200×90 8×3.1/2 219.1×101.6 - 152
250×200 10×8 273.0×219.1 273×219 178
250×150 10×6 273.0×168.3 273×159 178
250×125 10×5 273.0×141.3 273×133 178
250×100 10×4 273.0×114.3 273×108 178
300×250 12×10 323.9×273.1 325×273 203
300×200 12×8 323.9×219.1 325×219 203
300×150 12×6 323.9×168.3 325×159 203
300×125 12×5 323.9×141.3 325×133 203
350×300 14×12 355.6×323.9 377×325 330
350×250 14×10 355.6×273.0 377×273 330
350×200 14×8 355.6×219.1 377×219 330
350×150 14×6 355.6×168.3 377×159 330
400×350 16×14 406.4×355.6 426×377 356
400×300 16×12 406.4×323.9 426×325 356
400×250 16×10 406.4×273.0 426×273 356
400×200 16×8 406.4×219.1 426×219 356
450×400 18×16 457×406.4 478×426 381
450×350 18×14 457×355.6 478×377 381
450×300 18×12 457×323.9 478×325 381
450×250 18×10 457×273.0 478×273 381
500×450 20×18 508×457 529×478 508
500×400 20×16 508×406.4 529×426 508
500×350 20×14 508×355.6 529×377 508
500×300 20×12 508×323.9 529×325 508
550×500 22×20 559×508 - 508
550×450 22×18 559×457 - 508
550×400 22×16 559×406.4 - 508
550×350 22×14 559×355.6 - 508
600×550 24×22 610×559 - 508
600×500 24×20 610×508 630×529 508
600×450 24×18 610×457 630×478 508
600×400 24×22 610×406.4 630×426 508
650×600 26×24 660×610 - 610
650×550 26×22 660×559 - 610
650×500 26×20 660×508 - 610
650×450 26×18 660×457 - 610
700×650 28×26 711×660 - 610
700×600 28×24 711×610 720×630 610
700×550 28×22 711×559 - 610
700×500 28×20 711×508 720×530 610
750×700 30×28 762×711 - 610
750×650 30×26 762×660 - 610
750×600 30×24 762×610 - 610
750×550 30×22 762×559 - 610
800×750 32×30 813×762 - 610
800×700 32×28 813×711 820×720 610
800×650 32×26 813×660 - 610
800×600 32×24 813×610 820×630 610
850×800 34×32 864×813 - 610
850×750 34×30 864×762 - 610
850×700 34×28 864×711 - 610
850×650 34×26 864×660 - 610
900×850 36×34 914×864 - 610
900×800 36×32 914×813 920×820 610
900×750 36×30 914×762 - 610
900×700 36×28 914×711 920×720 610
950×900 38×36 965×914 - 610
950×850 38×34 965×864 - 610
950×800 38×32 965×813 - 610
950×750 38×30 965×762 - 610
1000×950 40×38 1016×965 - 610
1000×900 40×36 1016×914 1020×920 610
1000×850 40×34 1016×864 - 610
1000×800 40×32 1016×813 1020×820 610
1050×1000 42×40 1067×1016 - 610
1050×950 42×38 1067×965 - 610
1050×900 42×36 1067×914 - 610
1050×850 42×34 1067×864 - 610
1100×1050 44×42 1118×1067 - 610
1100×1000 44×40 1118×1016 1120×1020 610
1100×950 44×38 1118×965 - 610
1100×900 44×36 1118×914 1220×920 610
1150×1100 46×44 1168×1118 - 711
1150×1050 46×42 1168×1067 - 711
1150×1000 46×40 1168×1016 - 711
1150×950 46×38 1168×965 - 711
1200×1150 48×46 1220×1168 - 711
1200×1100 48×44 1220×1118 1220×1120 711
1200×1050 48×42 1220×1067 - 711
1200×1000 48×40 1220×1016 1220×1020 711
 
Отправьте сообщение этому поставщику
Отправляй сейчас

Сплавы никеля Inconel 600/601/800, редуктор 801/718 нержавеющей стали Inconel 10" x6» жулик/Ecc

Спросите последнюю цену
Номер модели :
Сплавы никеля Inconel 600/601/800, Inconel 801/718
Место происхождения :
Китай
Количество минимального заказа :
3pcs
Термины компенсации :
T / T, L / C, Western Union
Способность поставкы :
9990000PCS в месяц
Срок поставки :
15days
Контактный поставщик
Сплавы никеля Inconel 600/601/800, редуктор 801/718 нержавеющей стали Inconel 10 x6» жулик/Ecc
Сплавы никеля Inconel 600/601/800, редуктор 801/718 нержавеющей стали Inconel 10 x6» жулик/Ecc
Сплавы никеля Inconel 600/601/800, редуктор 801/718 нержавеющей стали Inconel 10 x6» жулик/Ecc
Сплавы никеля Inconel 600/601/800, редуктор 801/718 нержавеющей стали Inconel 10 x6» жулик/Ecc
Сплавы никеля Inconel 600/601/800, редуктор 801/718 нержавеющей стали Inconel 10 x6» жулик/Ecc

TOBO STEEL GROUP CHINA

Verified Supplier
11 Годы
shanghai, shanghai
С тех пор 1998
Вид деятельности :
Manufacturer, Agent, Importer, Exporter, Trading Company, Seller
Общее годовое :
100000-100000000
Количество работников :
200~300
Уровень сертификации :
Verified Supplier
Узнайте о аналогичных продуктах
Смотрите больше
Контактный поставщик
Требование о предоставлении