Сталь выковала приспосабливая ASTM B564 UNS N06690, тройник гнезда сваривая, Weldolet, ниппель, штепсельную вилку головы наговора, локоть, тройник, редуктор, SW, 3000LB, 6000LB ANSI B16.11
ИМЯ
ANSI B16.11 выковал штуцеры, стальной выкованный штуцер трубы
ПРОДУКТЫ
Локти, редукторы, тройники трубы, загибы, крышки трубы
МАТЕРИАЛ
Сталь углерода, легированная сталь, нержавеющая сталь
Мы можем произвести согласно материалам apppoingted потребителями
СТАНДАРТ
ANSI, ASME, AP15L, DIN, JIS, BS, GB
Мы можем также произвести согласно рисовать клиентами.
ТОЛЩИНА СТЕНЫ
Sch5-Sch160 XS XXS STD
РАЗМЕР
1/2-72
ДИАПОЗОН ПРИМЕНЕНИЯ
Химическая промышленность, нефтяная промышленность, индустрия constructin, отечественная установка и другое
ПОСТАВЬТЕ ВРЕМЯ
15-60 ДНИ
ПОВЕРХНОСТНОЕ ПОКРЫТИЕ
| Стандарт | (ASME/ANSI B16.11, MSS-SP-97, MSS-SP-79, JIS B2316, BS 3799etc) |
|---|---|
| Процесс | Свободная вковка, плита режа .forged |
| Размер | 1/8" - 4" (DN6-DN100) |
| Соедините тип | Сваренный, продетый нитку, BW, SW |
| Форма | Равный |
| Материал | Сплав никеля: Никель 564/160/472 ASTM b 200 flangeolet sockolet threadolet weldolet 201 olets, сплав 255 flangeolet sockolet threadolet weldolet 20 31 olets 6xn, flangeolet sockolet threadolet weldolet olets monel 400 k500 404 400a 30c, inconel 600 flangeolet sockolet threadolet weldolet 601 625 718 783 690 olets x750, incoloy 800 800h 800ht 825 flangeolet sockolet threadolet weldolet 901 925 olets 6mo 25-6mo, hastelloy flangeolet sockolet threadolet weldolet olets g-30 b b2 b3 c c4 c22 c276 c2000 x, nimonic 80a 90 flangeolet sockolet threadolet weldolet 263 olets. Типы: Buttweld выходы (Weldolet), выходы сварки гнезда (Sockolet), продетые нитку выходы (Threadolet), выходы (Nipolet), боковые выходы 45° (Latrolet), стандарты изготовления выходов локтя (Elbolet): MSS SP-97, GB19236 etc. |
Дуплекс 2507 нержавеющей стали супер сформулирован никеля, хромия и молибдена и приложен в применениях которые требуют исключительных прочности и коррозионной устойчивости. Этот высокий стальной сплав имеет превосходное сопротивление к высокой термальной проводимости, сопротивление к хлориду и коррозии в напряженном состоянии и низкий коэффициент к тепловому расширению. Он также имеет превосходное сопротивление к общей корозии корозии, делать ямки и корозии crevice.
Супер дуплекс может работать температура до 570 °F над которой риск уменьшения в твердости. Он также весьма устойчив к равномерной коррозии произошел должный к органическим и неорганическим кислотам как муравьиная кислота, укусная кислота и кислоты которая состоит из хлоридов. Этот высокий стальной сплав специально сформулирован для того чтобы сопротивляться чистой масляной серной кислоте.
Также как S32750
Сталь Vishal (Индия) изготовитель, Stockists & поставщик наградного качественного ряда штуцеров Threadolet Olet нержавеющей стали ASTM A182 2507 супер двухшпиндельных которые изготовлены под экспертным наведением нашей старательной рабочей силы. Мы 50 лет опытной компании в штуцерах Threadolet Olet нержавеющей стали ASTM A182 2507 супер двухшпиндельных. Наша нержавеющая сталь Threadolet ASTM A182 2507 супер двухшпиндельная & другие продукты изготовлены используя качественный материал и идут через неукоснительную качественную проверку на всех этапах продукции обеспечить качество. Конструированный в согласии с международными стандартами качества, эти нержавеющая сталь Threadolet ASTM A182 2507 супер двухшпиндельная коррозионная устойчивость, крепкий и прочный. Мы также поставляем штуцеры Threadolet Olets нержавеющей стали ASTM A182 2507 супер двухшпиндельные в подгонянном размере.
- См. больше на: http://www.vishalsteel.com/olet-fittings/oletfittings-type-threadolet/duplexsteel-threadolet/olet-type-astm-a182-2507duplex-steel-threadolet/#sthash.xq4bBxyB.dpuf
|
|
локоть гнезда радиус 90 градусов длинный вес--kg | m3 | |||||
| DN | NPS | SCH80/3000 | SCH160/6000 | XXS/9000 | SCH80/3000 | SCH160/6000 | XXS/9000 |
| 6 | 1/8 | 0,09 | 0,15 | - | 0.018*10-3 | 0.027*10-3 | - |
| 8 | 1/4 | 0,09 | 0,15 | - | 0.027*10-3 | 0.042*10-3 | - |
| 10 | 3/8 | 0,12 | 0,32 | - | 0.042*10-3 | 0.068*10-3 | - |
| 15 | 1/2 | 0,26 | 0,40 | 0,85 | 0.068*10-3 | 0.120*10-3 | 0.180*10-3 |
| 20 | 3/4 | 0,35 | 0,65 | 1,48 | 0.120*10-3 | 0.180*10-3 | 0.310*10-3 |
| 25 | 1 | 0,49 | 1,25 | 2,20 | 0.180*10-3 | 0.310*10-3 | 0.397*10-3 |
| 32 | 1-1/4 | 0,85 | 1,40 | 2,90 | 0.310*10-3 | 0.397*10-3 | 0.745*10-3 |
| 40 | 1-1/2 | 1,05 | 2,45 | 3,80 | 0.397*10-3 | 0.745*10-3 | 1.126*10-3 |
| 50 | 2 | 1,75 | 2,76 | 6,35 | 0.745*10-3 | 1.126*10-3 | 1.724*10-3 |
| 65 | 2-1/2 | 3,80 | 4,80 | - | 1.126*10-3 | 1.724*10-3 | - |
| 80 | 3 | 5,20 | 8,85 | - | 2.172*10-3 | 2.523*10-3 | - |
| 100 | 4 | 11,0 | - | - | 3.756*10-3 | - |
|

|
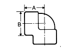
| Номинальный | 1/8 | 1/4 | 3/8 | 1/2 | 3/4 | 1 | 1 1/4 | 1 1/2 | 2 | 2 1/2 | 3 | 4 |
| - | 7/8 | 31/32 | 1 1/8 | 1 5/16 | 1 1/2 | 1 3/4 | 2 | 2 3/8 | 3 | 3 3/8 | 4 3/16 | ||
| B | - | 29/32 | 1 1/16 | 1 5/16 | 1 9/16 | 1 27/32 | 2 7/32 | 2 1/2 | 3 1/32 | 3 11/16 | 4 5/16 | 5 3/4 | |
| Вес | - | 0,198 | 0,283 | 0,500 | 0,773 | 1,013 | 1,550 | 2,180 | 3,140 | 6,500 | 10,925 | 26,675 | |
|
| |||||||||||||
|
|
| 1/8 | 1/4 | 3/8 | 1/2 | 3/4 | 1 | 1 1/4 | 1 1/2 | 2 | 2 1/2 | 3 | 4 |
| 7/8 | 31/32 | 1 1/8 | 1 5/16 | 1 1/2 | 1 3/4 | 2 | 2 3/8 | 2 1/2 | 3 1/4 | 3 3/4 | 4 1/2 | ||
| B | 29/32 | 1 1/16 | 1 5/16 | 1 9/16 | 1 27/32 | 2 7/32 | 2 1/2 | 3 1/32 | 3 11/32 | 4 | 4 3/4 | 6 | |
| Вес | 0,236 | 0,350 | 0,592 | 0,973 | 1,355 | 2,265 | 2,407 | 3,500 | 5,920 | 11,900 | 14,438 | 31,975 | |
|
| |||||||||||||
|
|
| 1/8 | 1/4 | 3/8 | 1/2 | 3/4 | 1 | 1 1/4 | 1 1/2 | 2 | 2 1/2 | 3 | 4 |
| 31/32 | 1 1/8 | 1 5/16 | 1 1/2 | 1 3/4 | 2 | 2 3/8 | 2 1/2 | 3 1/4 | 3 3/4 | 4 3/16 | 4 1/2 | ||
| B | 1 1/6 | 1 5/16 | 1 9/16 | 1 27/32 | 2 7/32 | 2 1/2 | 3 1/32 | 3 11/32 | 4 | 4 3/4 | 5 3/4 | 6 | |
| Вес | 0,250 | 0,625 | 1,023 | 1,625 | 2,625 | 3,500 | 6,750 | 7,500 | 13,438 | 20,875 | 39,050 | 38,000 | |

|
|
| 1/8 | 1/4 | 3/8 | 1/2 | 3/4 | 1 | 1 1/4 | 1 1/2 | 2 | 2 1/2 | 3 | 4 |
| 7/8 | 7/8 | 31/32 | 1 1/8 | 1 5/16 | 1 1/2 | 1 3/4 | 2 | 2 3/8 | 3 | 3 3/8 | 4 3/16 | ||
| B | 29/32 | 29/32 | 1 1/16 | 1 5/16 | 1 9/16 | 1 27/32 | 2 7/32 | 2 1/2 | 3 1/32 | 3 11/16 | 4 5/16 | 5 3/4 | |
| C | 0,420 | 0,555 | 0,690 | 0,855 | 1,065 | 1,330 | 1,675 | 1,915 | 2,406 | 2,906 | 3,535 | 4,545 | |
| D | 3/8 | 3/8 | 3/8 | 3/8 | 1/2 | 1/2 | 1/2 | 1/2 | 5/8 | 5/8 | 5/8 | 3/4 | |
| E | 7/16 | 7/16 | 17/32 | 5/8 | 3/4 | 7/8 | 1 1/16 | 1 1/4 | 1 1/2 | 1 5/8 | 2 1/4 | 2 5/8 | |
| Вес | 0,250 | 0,250 | 0,345 | 0,540 | 0,925 | 1,307 | 2,000 | 2,640 | 4,070 | 8,750 | 12,500 | 27,800 | |
|
| |||||||||||||
|
|
| 1/8 | 1/4 | 3/8 | 1/2 | 3/4 | 1 | 1 1/4 | 1 1/2 | 2 | 2 1/2 | 3 | 4 |
| - | - | - | 1 5/16 | 1 1/2 | 1 3/4 | 2 | 2 3/8 | 2 1/2 | 3 1/4 | 3 3/4 | 4 1/2 | ||
| B | - | - | - | 1 9/16 | 1 27/32 | 2 7/32 | 2 1/2 | 3 1/32 | 3 11/32 | 4 | 4 3/4 | 6 | |
| C | - | - | - | 0,855 | 1,065 | 1,330 | 1,675 | 1,915 | 2,406 | 2,906 | 3,535 | 4,545 | |
| D | - | - | - | 3/8 | 1/2 | 1/2 | 1/2 | 1/2 | 5/8 | 5/8 | 5/8 | 3/4 | |
| E | - | - | - | 3/4 | 7/8 | 1 1/16 | 1 1/4 | 1 1/2 | 1 5/8 | 2 1/4 | 2 1/2 | 2 3/4 | |
| Вес | - | - | - | 1,375 | 2,000 | 3,313 | 3,750 | 7,480 | 8,240 | 16,625 | 23,500 | 33,000 | |
|
| |||||||||||||
|
|
| 1/8 | 1/4 | 3/8 | 1/2 | 3/4 | 1 | 1 1/4 | 1 1/2 | 2 | 2 1/2 | 3 | 4 |
| - | - | - | 1 1/2 | 1 3/4 | 2 | 2 3/8 | 2 1/2 | 3 | - | - | - | ||
| B | - | - | - | 1 27/32 | 2 7/32 | 2 1/2 | 3 1/32 | 3 11/32 | 3 11/16 | - | - | - | |
| C | - | - | - | 0,855 | 1,065 | 1,330 | 1,675 | 1,915 | 2,406 | - | - | - | |
| D | - | - | - | 3/8 | 1/2 | 1/2 | 1/2 | 1/2 | 5/8 | - | - | - | |
| E | - | - | - | 1 | 1 1/8 | 1 1/4 | 1 3/8 | 1 1/2 | 2 1/8 | - | - | - | |
| Вес | - | - | - | 2,00 | 3,31 | 3,75 | 6,50 | 7,88 | 8,75 | - | - | - | |

|
|
| 1/8 | 1/4 | 3/8 | 1/2 | 3/4 | 1 | 1 1/4 | 1 1/2 | 2 | 2 1/2 | 3 | 4 |
| 7/8 | 7/8 | 31/32 | 1 1/8 | 1 5/16 | 1 1/2 | 1 3/4 | 2 | 2 3/8 | 3 | 3 3/8 | 4 3/16 | ||
| B | 29/32 | 29/32 | 1 1/16 | 1 5/16 | 1 9/16 | 1 27/32 | 2 7/32 | 2 1/2 | 3 1/32 | 3 11/16 | 4 5/16 | 5 3/4 | |
| C | 0,420 | 0,555 | 0,690 | 0,855 | 1,065 | 1,330 | 1,675 | 1,915 | 2,406 | 2,906 | 3,535 | 4,545 | |
| D | 3/8 | 3/8 | 3/8 | 3/8 | 1/2 | 1/2 | 1/2 | 1/2 | 5/8 | 5/8 | 5/8 | 3/4 | |
| E | 7/16 | 7/16 | 17/32 | 5/8 | 3/4 | 7/8 | 1 1/16 | 1 1/4 | 1 1/2 | 1 5/8 | 2 1/4 | 2 5/8 | |
| Вес | 0,250 | 0,250 | 0,375 | 0,813 | 1,125 | 1,550 | 2,250 | 3,063 | 5,125 | 18,000 | 23,000 | 40,000 | |
|
| |||||||||||||
|
|
| 1/8 | 1/4 | 3/8 | 1/2 | 3/4 | 1 | 1 1/4 | 1 1/2 | 2 |
| ||
| - | - | - | 1 5/16 | 1 1/2 | 1 3/4 | 2 | 2 3/8 | 2 1/2 | |||||
| B | - | - | - | 1 9/16 | 1 27/32 | 2 7/32 | 2 1/2 | 3 1/32 | 3 11/32 | ||||
| C | - | - | - | 0,855 | 1,065 | 1,330 | 1,675 | 1,915 | 2,406 | ||||
| D | - | - | - | 3/8 | 1/2 | 1/2 | 1/2 | 1/2 | 5/8 | ||||
| E | - | - | - | 3/4 | 7/8 | 1 1/16 | 1 1/4 | 1 1/2 | 1 5/8 | ||||
| Вес | - | - | - | 1,500 | 2,500 | 3,460 | 5,250 | 8,750 | 9,438 | ||||
|
| |||||||||||||
|
|
| 1/8 | 1/4 | 3/8 | 1/2 | 3/4 | 1 | 1 1/4 | 1 1/2 | 2 | 2 1/2 | 3 | 4 |
| - | - | - | 1 1/2 | 1 3/4 | 2 | 2 3/8 | 2 1/2 | 3 1/4 | - | - | - | ||
| B | - | - | - | 1 27/32 | 2 7/32 | 2 1/2 | 3 1/32 | 3 11/32 | 4 | - | - | - | |
| C | - | - | - | 0,855 | 1,065 | 1,330 | 1,675 | 1,915 | 2,406 | - | - | - | |
| D | - | - | - | 1/2 | 5/8 | 3/4 | 1 | 1 | 1 1/8 | - | - | - | |
| E | - | - | - | 1 | 1 1/8 | 1 1/4 | 1 3/8 | 1 1/2 | 2 1/8 | - | - | - | |
| Вес | - | - | - | 2,50 | 4,12 | 4,12 | 5,12 | 9,44 | 22,19 | - | - | - |

