Система пожаротушения с высоким содержанием CO2 OEM/ODM
Углекислый диоксид (CO2) является отличным противопожарным средством. Он используется в пожарной промышленности в течение многих лет и включен в список NFPA-12 Углекислый диоксид системы пожаротушения.CO2 используется для различных систем; включая полное затопление, локальное применение и инертность.Разрывает огневой треугольник, удаляя тепло.Из-за соображений безопасности при использовании CO2, он используется только для очень конкретных приложений, а не там, где есть опасность.Он может поставляться в резервуарах для хранения высокого и низкого давления..
В качестве одного из крупнейших игроков в отрасли противопожарной защиты электростанций не редкость поставлять 6-тонный резервуар для установки турбин.мы поставляем цилиндры высокого давления CO2Мы также поставляем соответствующее оборудование для обнаружения и контроля. Если вы хотите поговорить с нами о системах пожаротушения CO2, пожалуйста, свяжитесь с нами.
Параметры
| Нет, нет, нет. | Спецификация | Технический параметр |
| 1 | Модель устройства | QME70 |
| 2 | Мощность | 70 литров |
| 3 | Объем заполнения газа | 42 кг |
| 4 | Рабочее давление | 50,7 МПа |
| 5 | Максимальное рабочее давление | 120,4 МПа |
| 6 | Время опрыскивания | ≤ 60 с |
| 7 | Максимальная скорость заполнения | 00,6 кг/л |
| 8 | Сила | DC24V/1.6A |
| 9 | Рабочее давление высвобождающего устройства |
Вентиль контейнера: 19±0,95 МПа; Манифолд: 15±0,75 МПа |
| 10 | Азотное давление при вождении | 60,0±1,0Mpa ((20°C) |
| 11 | Состояние резервирования помещения для контейнеров | Температура: 0~50°C |
Состав системы
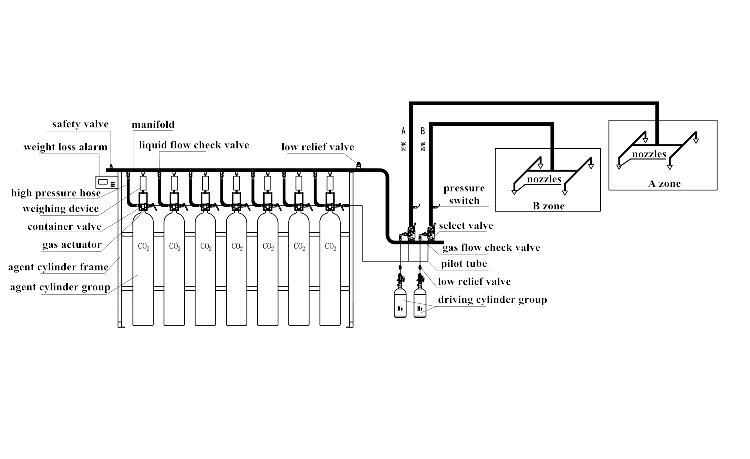
Тип трубопроводной сети CO2Автоматическая система пожаротушения состоит главным образом из трех частей: устройств пожаротушения, трубопроводов и электрических принадлежностей.
Огнетушители - это такие вещи, как цилиндры для заполнения и хранения CO2, рама и приводное устройство (азотный баллон) для запуска цилиндра хранения для сброса агента и так далее.
Трубовые фитинги - это провода, которые соединяют огнетушительное устройство и ведущее средство в защитную зону, например, оцинкованные стальные трубы высокого давления, фланц, локоть и так далее.
Электрические аксессуары - это те вещи, которые используются для обнаружения и мониторинга всей защитной зоны и контроля всей системы, а также предупреждения людей об эвакуации и предотвращения распространения пожара.
Эти интегрированные три части будут эффективными для обнаружения и контроля, а также автоматической сигнализации и тушения пожара.


Применение
Он подходит для тушения всех видов пожаров легковоспламеняющихся жидкостей и твердых веществ; газовый огонь, в котором электричество может быть отключено до тушения пожара.
- комнату для распыливания краски
- электронная компьютерная комната
- Телекоммуникационная комната.
- Архивная комната.
- Котельная
- Центр управления.
-Хангар.
-Гараж.
- Библиотека.

Пакеты
Иногда, чтобы удовлетворить требованиям клиентов или безопасности, мы сделаем поддоны для гОудс.
