Это мотор NEMA 17 42mm гибридный stepper с валом диаметра d 5mm.
Этот мотор использован для точного контроля.
Угол шага 1,8 градуса, различные длина и вращающий момент мотора для вас, который нужно выбрать.
Высота более длиной мотора, она имеет более большой вращающий момент.
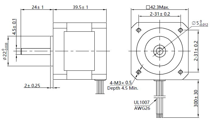
Механический размер: MM

Мотор гибрида NEMA 17 stepper высокая эффективность, мотор высокой точности с много преимуществ. Его можно использовать в широком диапазоне применений в много различных полей. Последователи некоторые из главных программ для гибридных stepper моторов NEMA17:
принтеры 3D: Гибридные stepper моторы NEMA17 часто использованы в принтерах 3D для того чтобы управить движением головы печати и обеспечить точные результаты печати.
Оборудование наблюдения: Гибридные stepper моторы NEMA17 также обыкновенно использованы в оборудовании наблюдения, как вращая или двигая камеры и механизмы автофокуса, для обеспечения точных результатов наблюдения.
Медицинское машинное оборудование: Гибридные stepper моторы NEMA17 также часто использованы в медицинском оборудовании, как насосы вливания и хирургические роботы, для обеспечения точности и точности в движении и располагать машин.
Автоматы: Гибридные stepper моторы NEMA17 часто использованы в автоматах, например, для того чтобы контролировать отверстие и закрывать проходов и размещение товаров для обеспечения эффективной деятельности автомата.
Строительные машины: Гибридные stepper моторы NEMA17 также обыкновенно использованы в строительных машинах, например для того чтобы управить движением робототехнического оружия и гидронасосов для обеспечения точной деятельности машины.
Гравировальные станки CNC: Гибридные stepper моторы NEMA17 также широко использованы в гравировальных станках CNC, например, для того чтобы управить движением и резать ножевой головки для обеспечения результатов гравировки высокой точности.
Машины ATM: Гибридные stepper моторы NEMA17 также часто использованы в машинах ATM, например, для того чтобы контролировать отверстие и закрывать выходов счета и слотов разведения для обеспечения эффективной деятельности машины ATM.
В дополнение к вышеуказанным применениям, гибридные stepper моторы NEMA17 также широко использованы в робототехнике, оборудовании автоматизации, машинном оборудовании ткани, машинном оборудовании печатания, и машинах замотки. Вкратце, гибридный stepper мотор NEMA17 высокопроизводительный, высокоточный, многофункциональный мотор который может отвечать потребностямы много различных применений.
| Модель нет. | VT42HS40 |
| Тип мотора | Мотор Hybird stepper |
| Размер мотора | 42*42mm (NEMA17) |
| Высота мотора | 28mm/34mm/40mm/48mm/60mm |
| Вал выхода | вал 5mm d |
| Длина вала | 24mm |
| Вес | 150 | 550 граммов |
преимущества:
Низкотермичное поколение: Гибридные stepper моторы NEMA17 производят меньше жары во время деятельности, которая полезна для применений где тепловыделение забота. Это связано с тем что они работают на низкоточном чем другие типы моторов, которое уменьшает произведенное количество жары.
Высокая эффективность: Гибридные stepper моторы NEMA17 сильно эффективны, которым середины они могут преобразовать большое количество электрической энергии в механическую энергию. Это делает их идеальной для применений где выход по энергии критический, как использующие энергию батаре приборы и использующие энергию солнечн системы.
Легкий для управления скорости и направления: Гибридные stepper моторы NEMA17 легки для того чтобы контролировать когда это прибывает в скоростью и направлением. Это связано с тем что они отвечают быстро изменениям во входном сигнале, и число шагов в революцию можно легко отрегулировать.
Низкое обслуживание: Гибридные stepper моторы NEMA17 требуют очень маленького обслуживания, которое другое преимущество для много применений. Они не имеют щетки или коммутанты, которые части которые требуют частой замены в других типах моторов.
Гибкость: Гибридные stepper моторы NEMA17 предлагают высокую степень гибкости по отоношению к изготовлению на заказ. Их можно подгонять для специфических применений, включая различные размеры вала, устанавливающ конфигурации, и электротехнические условия.
Рентабельный: Гибридные stepper моторы NEMA17 рентабельное сравненные к другим типам моторов которые предлагают подобное представление. Это связано с тем что они масс-произведены и широко - доступно, которое уменьшает производственные затраты.
Высокий коэффициент Вращающ-к-размера: Гибридные stepper моторы NEMA17 имеют высокий коэффициент вращающ-к-размера, которому середины они могут поставить большое количество вращающего момента в небольшом пакете. Это полезно для применений где космос ограничен, как в портативные медицинское оборудование и трутни.
Общий, моторы гибрида NEMA17 stepper предлагают широкий диапазон преимуществ которые делают их соответствующий для много различных применений. Эти преимущества включают высокую точность, высокий вращающий момент, ровную деятельность, выход по энергии, удобство управления, низкое обслуживание, гибкость, затратыэффективность, и высокий коэффициент вращающ-к-размера.
Кривая вращающего момента для ReferenceThe над продуктами только репрезентивные модели, мы может подгонять продукты согласно требованиям клиента. Включает длину и диаметр вала. Наша компания может также обеспечить обслуживания OEM.

Образцы упакованы с губкой пены внутри бумажной коробки.
Для массового производства, продукты упакованы в коробке бумаги.
Для доставки моря (массового производства), коробки упакованы на паллете.
Грузя время:
срочным (UPS/Federal Express TNT DHL): 5~12 дня
4PX срочным: 10~20 дней
Доставка моря: 40~60 дней (зависит от различных стран)
