Карбид филируя вставки вставка механического инструмента конструированная с 4 режущими кромками для точные продевать нитку и подвергать механической обработке. Он сделан карбида, с режа направлением правой руки. Вставка имеет 3 каннелюры для обеспечения ровного и точного вырезывания.
Этот инструмент вставки карбида продевая нитку идеален для разнообразие подвергая механической обработке применений и может быть использован с много типов механических инструментов. Он обеспечивает превосходное режа представление и максимальную жизнь инструмента. Он хорошо подойдет для сверхмощный подвергать механической обработке и соответствующий для широкого диапазона материалов. Со своими главным режа представлением и высокой стойкостью, идеальный выбор для подвергать механической обработке и продевать нитку профессионалов.
Карбид филируя вставки идеальный инструмент для подвергать механической обработке и продевать нитку профессионалов которым нужен высококачественный инструмент для их деятельности. Со своими 4 режущими кромками и 4 каннелюрами, он обеспечивает точное и ровное режа представление. Свое покрытие TiAlN обеспечивает превосходное предохранение от носки и выдвинутую жизнь инструмента. Этот инструмент вставки карбида продевая нитку соответствующий для широкого диапазона материалов и сильно рекомендован для сверхмощных подвергая механической обработке применений.
Данные по ранга:
|
Santon Ранг |
Плотность (³ g/cm) | TRS (² n/mm) | HRA | Представление & применения | Код ISO |
| ST1040 | 14,3 | 3300 | 92,5 | Дополнительный точный субстрат, более высокопрочные, лучшие удар и сопротивляемость при колебательном движении, хорошее сопротивление носки, обдирка и сильный филировать серого литого железа, узелкового литого железа, и цветного металла, обдирка неметаллических материалов (соответствующих для грубый подвергать механической обработке с большим питанием вырезывания, и более широкая глубины отрезка на низком уровне к средней вращая скорости.) | K20-K40 |

Вставки карбида филируя необходимый инструмент для много промышленных приложений, включая indexable инструменты, поток токарного станка карбида режа вставки, и вставку карбида разделяя инструменты. Вставки карбида филируя предлагают главные представление и долговечность, и соответствующие для сверхмощной деятельности подвергать механической обработке и механической обработки, как филировать, сверлить, резать, и reaming. Они также идеальны для разнообразие материалов, включая алюминиевое, стальной, латунный, и пластиковый, и обеспечивают точный и последовательный финиш. Вставки карбида филируя больший выбор для операторов которым нужно надежное и рентабельное решение для их подвергая механической обработке потребностей.
Подгонянные вставки карбида филируя
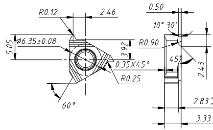
Мы предлагаем вставки выполненного на заказ карбида филируя для того чтобы отвечать ваши специфические потребностямы. Наши вставки карбида идеальны для вставок механического инструмента, вставки карбида разделяя инструменты, и indexable инструментов токарного станка карбида. Наши вставки самого высококачественного, с толщиной 0,094, режа глубиной 0,5, углом опережения 0°, и покрытием TiAlN.
Мы также предлагаем разнообразие каннелюры, включая 4 вставки каннелюры, для того чтобы помочь вам достигнуть пожеланных финиша и точности.
Вставки карбида филируя предлагают службу технической поддержки и обслуживание для их продуктов для обеспечения клиентов совершенно удовлетворяется с их приобретением. Служба технической поддержки доступна для вопросов об установке, пользе продукта, и диагностике. Обслуживания доступные включают изготовление на заказ продукта, ремонт, и варианты замены, так же, как приобъектные обслуживание и тренировку. Клиенты могут контактировать вставки карбида филируя сразу для всех дознаний или забот.
Вставки карбида филируя упакованы и погружены в крепких картонных коробках с вставками пены для защиты вставок от повреждения. Коробки безопасно загерметизированы с лентой и обозначены ясно с содержанием и назначением. Коробки после этого помещены на паллетах или в контейнерах и погружены тележкой, рельсом, или кораблем в зависимости от потребностей клиента.