K40 Garde N331.1A-115008H-WL Карбидная фрезерная машина для обработки стали
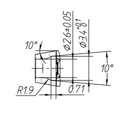
Карбидные фрезерные вставки являются идеальными инструментами для нанесения нитей и разделения для широкого спектра применений нанесения и разделения.525 и шириной резки 3.5Угол спирали на 10° позволяет улучшить управление чипами, а покрытие TiAlN обеспечивает отличную износостойкость и температурную стабильность.Карбидные фрезерные вставки идеально подходят для нанесения нитей и разделения, такие как режущие инструменты для резки нитей, инструменты для резки карбидов и инструменты для разделения карбидов.
Информация о классе:
|
Сантон Уровень |
Плотность ((g/cm3) | TRS ((n/mm2) | HRA | Производительность и применение | Код ISO |
| ST1050 | 14.5 | 3100 | 92 |
Сверхтонкий субстрат, более высокая прочность, лучшая устойчивость к ударам и вибрациям, хорошая износостойкость, грубость и тяжелая фреска стали, нержавеющей стали, серого литого железа, узлового литого железа,и цветные металлы, грубость неметаллических материалов ((подходит для грубой обработки с большим режущим кормом и большей глубиной резки при низкой и средней скорости вращения.) |
K20-K40 |

Карбидные фрезерные вставки приносят точность и надежность для ваших задач обработки, что делает их идеальными для различных приложений в промышленной и производственной среде.из карбида вольфрама, имеют прямоугольную форму с шириной резки 3.5, угол спирали 10°, и 4 флейты. Они подходят для индексируемых карбидных токарных инструментов, карбидных инструментов для вставки нитей, карбидных инструментов для расщепления и других фрезерных операций.
Santon является лидером в области карбидных фрезерных вкладок. Их продукция сертифицирована по стандарту ISO9001 9001, и они предлагают конкурентоспособные цены с минимальным количеством заказов 50 штук.Время доставки обычно составляет 30 дней с момента получения оплатыВставки упаковываются в пластиковые коробки и пустые картонные коробки, а оплата принимается через T / T.
Карбидное фрезирование включает в себя техническую поддержку и обслуживание:
Карбидное фрезирование вставки упаковка и транспортировка:
Карбидные фрезерные вставки надежно упакованы в прочные, влагостойкие контейнеры.мы используем прочные волновые коробки с достаточным подушным материаломМы также используем соответствующую маркировку и штрих-коды, чтобы гарантировать отслеживание продукта на протяжении всего пути.Мы используем надежные службы доставки, чтобы гарантировать, что продукт доставляется клиенту своевременно.