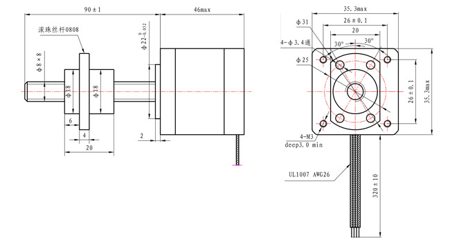
Ригидность механизма передачи винта шарика относительно высока, который может уменьшить механический зазор во время процесса передачи.
Небольшие системы автоматизации, водяные помпы, электрические замки, блоки развертки изображения
Особенности:
Ангел шага |
° 1,8 |
Размер Fram |
35 mm |
Номер участка |
2 - участок |
Расклассифицированное течение |
1,5 a |
Удержание вращающего момента |
360 mN.m |
Сопротивление |
2,7 ома |
Индуктивность |
3,2 mH |
Инерция ротора |
² g-см 35 |
Вес мотора |
0,35 kg |
Количество руководств |
4 |
Соединение |
Двухполярный |
Возникновение

