гибридный шаговый двигатель nema16 39x39x29 мм 170 мН.м вал 24 мм шаговый двигатель на заказ
Описанный вами шаговый двигатель Nema16 имеет следующие характеристики:
Угол шага: 1,8 градуса на шаг
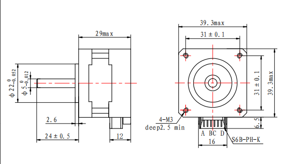
Размер двигателя: 39 х 29 мм
Номинальный ток: 0,48 А
Удерживающий момент: 100 мН·м (14,2 унции на дюйм)
Вес: 0,12 кг (4,2 унции)
Этот тип шагового двигателя обычно используется в небольших 3D-принтерах, гравировальных станках, робототехнике и других приложениях, требующих точного управления движением.Угол шага 1,8 градуса означает, что двигатель совершает 200 шагов для полного оборота на 360 градусов, что обеспечивает точное позиционирование и управление.
шаговый двигатель Nema16 — популярный выбор для небольших приложений, где требуется точное управление движением.
Технические характеристики двигателя
Шаг Ангел |
1,8° |
Размер кадра |
39мм |
Количество фаз |
2 фазы |
Номинальный ток |
0,4 А |
удерживающий крутящий момент |
170мН.м |
Сопротивление |
30 Ом |
Индуктивность |
45 мГн |
Инерция ротора |
20 г-см² |
Вес двигателя |
0,12 кг |
Количество лидов |
4 |
Связь |
биполярный |
Появление

