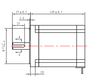
Шаговый двигатель Nema34 86x86 мм 112 мм 5.5A 12N.m 5 кг Высокоточный двигатель для гравировального станка с ЧПУ
Технические характеристики двигателя
Шаг Ангел |
1,8° |
Размер кадра |
86мм |
Количество фаз |
2 фазы |
Номинальный ток |
5,5 А |
удерживающий крутящий момент |
12 Н.м |
Сопротивление |
1,1 Ом |
Индуктивность |
8 мГн |
Инерция ротора |
3600 г-см² |
Вес двигателя |
5 кг |
Количество лидов |
4 |
Связь |
биполярный |
Появление

