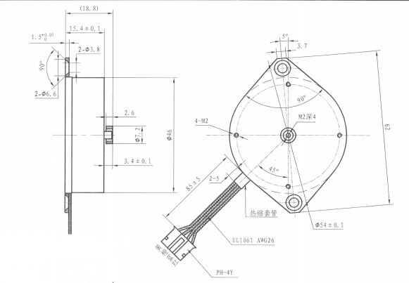
Мотор степени 100mN мотора 3.2V 1,8 блинчика Casun stepper плоский шагая
Гибридная серия Stepper мотора предлагает сильный держа вращающий момент в разнообразие размерах.
Используйте с microstepping водителем для уменьшения вибрации и для того чтобы достигнуть более высокого разрешения шага.
Выберите версию базиса или спросите вашу собственную подгонянную конфигурацию.
Особенности:

|
Ангел шага
|
° 1,8 |
|
Размер Fram
|
46mm |
|
Номер участка
|
2 - участок |
|
Расклассифицированное течение
|
1.0Amp |
|
Удержание вращающего момента
|
100mN.m |
|
Сопротивление
|
3,2 om |
|
Индуктивность
|
2.7mH |
|
Инерция ротора
|
² 11g-см |
|
Вес мотора
|
0.1kg |
|
Количество руководств
|
4 |
|
Соединение
|
Двухполярный |
Угол шага: 1.8°
Максимальная температура: максимум 80°C
Температура окружающей среды: -20 °C к 50°C
Температура хранения -20: °C к 100°C
Ряд влажности (%): 85% или, не-конденсирующ
Изоляция провода магнита: Класс b 130 ДЕГ C
Сопротивление изоляции: ом 100M на 500 VDC
Диэлектрическая прочность: 500 VDC на 1 минута
| Модель | Длина мотора | Настоящий | Удержание вращающего момента | |
| P28SHD4611 | 9.5mm | 0.5A | 16mN.m | |
| P28SHD4701 | 10.6mm | 0.5A | 20mN.m | |
| P28SHD4750 | 13-15mm | 0.5A | 25mN.m | |
| P28SHD4950 | 17.9mm | 0.5A | 35mN.m | |
Загрузка
