Если наш основной мотор не удовлетворяет ваши требования, то мы можем подгонять мотор для того чтобы соотвествовать вашим спецификациям.
уникальные валы, обматывая параметры, измерения установки, подводящие провода с уникальными потребностями, соединениями, и так далее примеры подгонянного содержания.
Особенности:
*Both двухполярное и униполярные версии доступные.
конструкция *Stepper гибридная
*Available в одиночных и двойных конфигурациях вала.
*Customizations по запросу CE и RoHS одобрило.

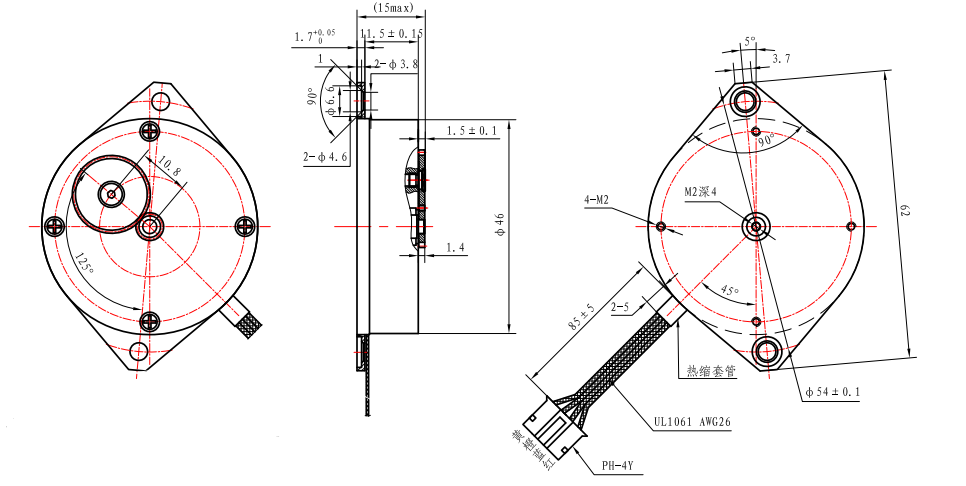
|
Ангел шага
|
° 1,8 |
|
Размер Fram
|
46mm |
|
Номер участка
|
2 - участок |
|
Расклассифицированное течение
|
1.0Amp |
|
Удержание вращающего момента
|
52 mN.m |
|
Сопротивление
|
2,5 om |
|
Индуктивность
|
1.7mH |
|
Инерция ротора
|
² g-см 7 |
|
Вес мотора
|
0.1kg |
|
Количество руководств
|
4 |
|
Соединение
|
Двухполярный |
Угол шага: 1.8°
Максимальная температура: максимум 80°C
Температура окружающей среды: -20 °C к 50°C
Температура хранения -20: °C к 100°C
Ряд влажности (%): 85% или, не-конденсирующ
Изоляция провода магнита: Класс b 130 ДЕГ C
Сопротивление изоляции: ом 100M на 500 VDC
Диэлектрическая прочность: 500 VDC на 1 минута
| Модель | Длина мотора | Настоящий | Удержание вращающего момента | |
| P28SHD4611 | 9.5mm | 0.5A | 16mN.m | |
| P28SHD4701 | 10.6mm | 0.5A | 20mN.m | |
| P28SHD4750 | 13-15mm | 0.5A | 25mN.m | |
| P28SHD4950 | 17.9mm | 0.5A | 35mN.m | |
Загрузка
