мотор 0.4A NEMA 14 35*35*20mm Stepper 1,8 градуса мотор Casun 2 участков Stepper
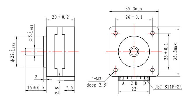
Nema 14 Stepper мотора серии 35SHD0303 35x35x20mm 1,8 участок гибридное 0.4A степени 2 для освещения этапа
35mm гибридная серия Stepper мотора предлагает сильный держа вращающий момент в разнообразие размерах.
Используйте с microstepping водителем для уменьшения вибрации и для того чтобы достигнуть более высокого разрешения шага.
Выберите версию базиса или спросите вашу собственную подгонянную конфигурацию.
Особенности:
Возникновение


Ангел шага |
° 1,8 |
Размер Fram |
35 mm |
Номер участка |
2 - участок |
Расклассифицированное течение |
0,4 a |
Удержание вращающего момента |
60 mN.m |
Сопротивление |
22 ома |
Индуктивность |
15 mH |
Инерция ротора |
² g-см 10 |
Вес мотора |
0,09 kg |
Количество руководств |
4 |
Соединение |
Двухполярный |
вопросы и ответы
1. кто мы?
Мы основаны в Гуандуне, Китае, начале от 2011, надувательстве к внутреннему рынку (63,00%), Западная Европа (12,00%), Северная Америка (9,00%), Восточная Азия (8,00%), Северн Северный (2,00%), Восточная Европа (00,00%), Юго-Восточная Азия (00,00%), Океания (00,00%), средний восток (00,00%), Южная Европа (00,00%), Южная Азия (00,00%). Полное около 51-100 человек в нашем офисе.
2. как можем мы гарантировать качество?
Всегда образец подготовки производства перед массовым производством;
Всегда финальная инспекция перед пересылкой;
3.what может вы купить от нас?
Stepper мотор, мотор BLDC
4. почему должны вы купить от нас не от других поставщиков?
Мы специализированы в произведении и продаже stepper моторов на больше чем 11 лет.
5. какие обслуживания можем мы обеспечить?
Принятые условия доставки: ОБМАНЫВАЙТЕ, CFR, CIF, EXW, срочная поставка;
Принятая валюта оплаты: USD, CNY;
Принятый тип оплаты: T/T, L/C, D/P D/A, PayPal;
Поговоренный язык: Английский язык, китайский, японский
Кодировщик |
Тормоз |
Коробка передач |
Вал |
![]() |
![]() |
![]() |
![]() |