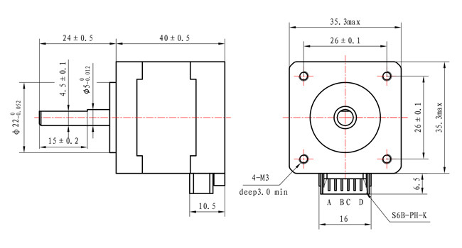
Шаговый двигатель 35 мм имеет простую конструкцию, небольшой размер, малый вес, прост в установке и обслуживании.
35-мм шаговые двигатели широко используются в таких областях, как промышленная автоматизация, точные приборы и цифровое оборудование.
Функции:
Шаг Ангел |
1,8° |
Размер кадра |
35 мм |
Количество фаз |
2 фазы |
Номинальный ток |
1,2 А |
удерживающий крутящий момент |
200 мН.м |
Сопротивление |
2,5 Ом |
Индуктивность |
3,8 мГн |
Инерция ротора |
18 г-см² |
Вес двигателя |
0,21 кг |
Количество лидов |
4 |
Связь |
Биполярный |
Появление

