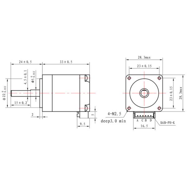
28mm низкопробный stepper мотор имеет умеренный размер, небольшой том, и удобную установку.
Медицинское и научное оборудование, так же, как бытовые приборы, блоки развертки изображения, и навигация автомобиля.
Особенности:
Ангел шага |
° 1,8 |
Размер Fram |
28 mm |
Номер участка |
2 - участок |
Расклассифицированное течение |
0,67 a |
Удержание вращающего момента |
90 mN.m |
Сопротивление |
5,8 ома |
Индуктивность |
4,1 mH |
Инерция ротора |
² g-см 9 |
Вес мотора |
0,12 kg |
Количество руководств |
4 |
Соединение |
Двухполярный |
Возникновение

