Мотор 28mm stepper очень controllable и может точно управлять скорость и направление вращения путем контролировать частоту и последовательность сигналов течения и ИМПа ульс.
Сделайте его очень полезный в много применений, как принтеры, роботы, оборудование автоматизации, etc.
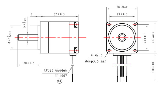
Особенности:
Ангел шага |
° 1,8 |
Размер Fram |
28 mm |
Номер участка |
2 - участок |
Расклассифицированное течение |
0,67 a |
Удержание вращающего момента |
60 mN.m |
Сопротивление |
5,6 ома |
Индуктивность |
5 mH |
Инерция ротора |
² g-см 9 |
Вес мотора |
0,12 kg |
Количество руководств |
4 |
Соединение |
Двухполярный |
Возникновение

