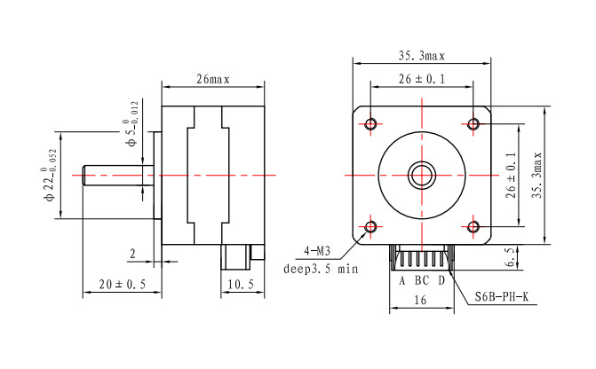
Мотор 39mm высокоточный и высокоточный может достигнуть очень точного контроля за движением.
Оно один из предпочитаемых моторов для много полей как автомобили, роботы, принтеры 3D, etc
Особенности:
Ангел шага |
° 1,8 |
Размер Fram |
39 mm |
Номер участка |
2 - участок |
Расклассифицированное течение |
0,4 a |
Удержание вращающего момента |
200 mN.m |
Сопротивление |
30 омов |
Индуктивность |
42 mH |
Инерция ротора |
² g-см 18 |
Вес мотора |
0,17 kg |
Количество руководств |
2 |
Соединение |
Двухполярный |

Работая спецификации
Угол шага: 1.8°
Максимальная температура: максимум 80°C
Температура окружающей среды: -20 °C к 50°C
Температура хранения -20: °C к 100°C
Ряд влажности (%): 85% или, не-конденсирующ
Изоляция провода магнита: Класс b 130 ДЕГ C
Сопротивление изоляции: ом 100M на 500 VDC
Диэлектрическая прочность: 500 VDC на 1 минута

| Модель | Удержание вращающего момента | Угол шага | Длина мотора | Тип вала | Расклассифицированное течение |
| 39SHD0001-20 | 100mN.m | 1.8° | 20mm | Круглый вал 20mm |
0.48A |
| 39SHD0504-20 | 100mN.m | 1.8° | 22mm | Круглый вал 20mm |
0.4A |
| 39SHD0611-20 | 200mN.m | 1.8° | 25mm | Круглый вал 20mm |
0.4A |
| 39SHD0302-20 | 220mN.m | 1.8° | 34mm | Круглый вал 20mm |
0.4A |
| 39SHD0401-24 | 220mN.m | 1.8° | 38mm | Круглый вал 24mm |
0.4A |
| 39SHD0801-24B | 220mN.m | 1.8° | 48mm | Вал d 24mm |
0.4A |
Загрузка
Кодировщик |
Тормоз |
Коробка передач |
Вал |
![]() |
![]() |
![]() |
![]() |