Мотор 35x35mm 0.75A 4.8V 230mN.m гибрида Nema 14 stepper для принтера 3D
мотор Nema 8 Stepper мотора 20x20x33mm 0.6A Casun мини Stepper для медицинского оборудования красоты
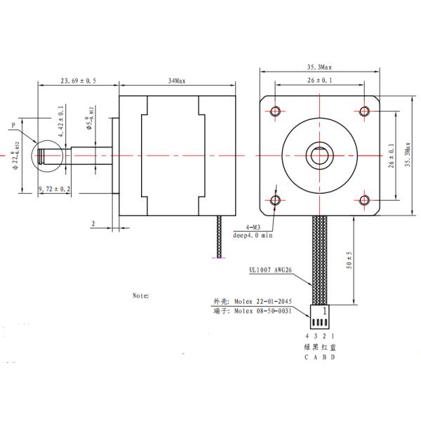
Спецификации мотора
Ангел шага |
° 1,8 |
Размер Fram |
35 mm |
Номер участка |
2 - участок |
Расклассифицированное течение |
0.75A |
Удержание вращающего момента |
230 mN.m |
Сопротивление |
6,4 ома |
Индуктивность |
8.9mH |
Инерция ротора |
² g-см 14 |
Вес мотора |
0,2 kg |
Количество руководств |
4 |
Соединение |
Двухполярный |
Возникновение

