Мотор мотора 1A 3.5V 155mN.m hybridstepper Nema 14 Casun высокочастотный шагая для руки робота ATM
мотор Nema 8 Stepper мотора 20x20x33mm 0.6A Casun мини Stepper для медицинского оборудования красоты
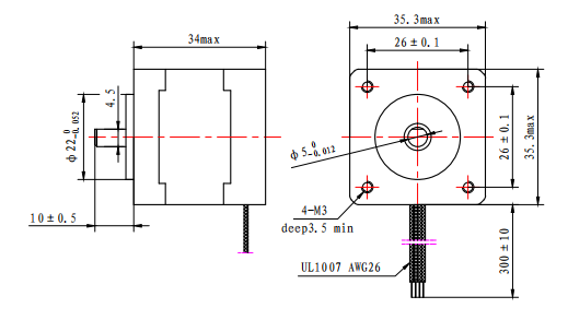
Спецификации мотора
Ангел шага |
° 1,8 |
Размер Fram |
35 mm |
Номер участка |
2 - участок |
Расклассифицированное течение |
1A |
Удержание вращающего момента |
155mN.m |
Сопротивление |
3.8ohm |
Индуктивность |
5.8mH |
Инерция ротора |
² 14g-см |
Вес мотора |
0,18 kg |
Количество руководств |
4 |
Соединение |
Двухполярный |
Возникновение

