42mm гибридная серия Stepper мотора предлагает сильный держа вращающий момент в разнообразие размерах.
Используйте с microstepping водителем для уменьшения вибрации и для того чтобы достигнуть более высокого разрешения шага.
Выберите версию базиса или спросите вашу собственную подгонянную конфигурацию.
Особенности:


Ангел шага |
° 1,8 |
Размер Fram |
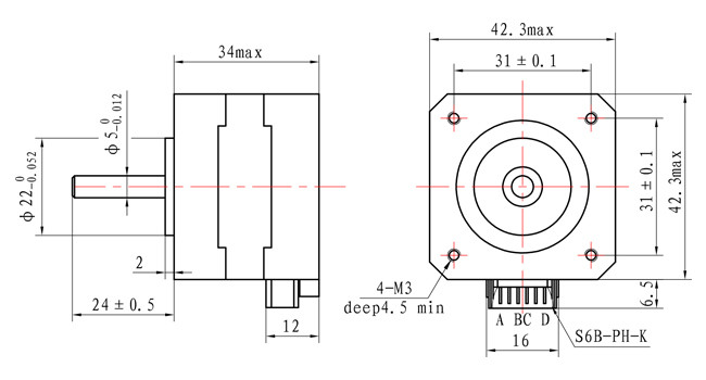
42 mm |
Номер участка |
2 - участок |
Расклассифицированное течение |
0,4 a |
Удержание вращающего момента |
260 mN.m |
Сопротивление |
30 омов |
Индуктивность |
37 mH |
Инерция ротора |
² g-см 38 |
Вес мотора |
0,2 kg |
Количество руководств |
4 |
Соединение |
Двухполярный |
Угол шага: 1.8°
Максимальная температура: максимум 80°C
Температура окружающей среды: -20 °C к 50°C
Температура хранения -20: °C к 100°C
Ряд влажности (%): 85% или, не-конденсирующ
Изоляция провода магнита: Класс b 130 ДЕГ C
Сопротивление изоляции: ом 100M на 500 VDC
Диэлектрическая прочность: 500 VDC на 1 минута
| Модель | Удержание вращающего момента | Угол шага | Длина мотора | Тип вала | Расклассифицированное течение |
| 42SHD4950 | 0.13N.m | 1.8° | 20mm | D Shaft-20mm | 1.0A |
| 42SHD4003 | 0.26N.m | 1.8° | 34mm | D Shaft-20mm | 0.4A |
| 42SHD0261 | 0.45N.m | 1.8° | 40mm | D Shaft-20mm | 1.68A |
| 42SHD4425 | 0.59N.m | 1.8° | 48mm | D Shaft-24mm | 2.0A |
| 42SHD4813 | 0.8N.m | 1.8° | 60mm | D Shaft-24mm | 2.1A |
Загрузка
Кодировщик |
Тормоз |
Коробка передач |
Вал |
![]() |
![]() |
![]() |
![]() |