Структура привода винта шарика NEMA 17 имеет низкое frictional сопротивление.
Оно может достигнуть более высокой эффективности движения и механической эффективности, и также благоприятный к уменьшению энергопотребления управляющего устройства.
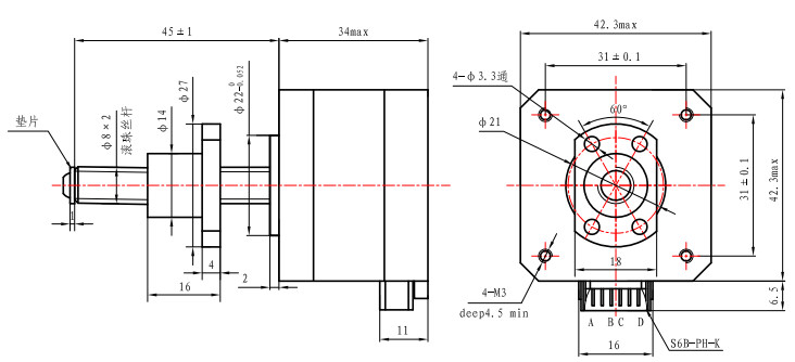
Особенности:

|
Ангел шага
|
° 1,8 |
|
Размер Fram
|
42 mm |
|
Номер участка
|
2 - участок |
|
Расклассифицированное течение
|
1.68A |
|
Удержание вращающего момента
|
320 mN.m |
|
Сопротивление
|
hm 1,5 |
|
Индуктивность
|
2,5 mH |
|
Инерция ротора
|
² g-см 38 |
|
Вес мотора
|
0,23 kg |
|
Винт руководства
|
Винт SFK0802 шарика |
|
Соединение
|
Двухполярный |
Угол шага: 1.8°
Максимальная температура: максимум 80°C
Температура окружающей среды: -20 °C к 50°C
Температура хранения -20: °C к 100°C
Ряд влажности (%): 85% или, не-конденсирующ
Изоляция провода магнита: Класс b 130 ДЕГ C
Сопротивление изоляции: ом 100M на 500 VDC
Диэлектрическая прочность: 500 VDC на 1 минута
Игра вала радиальная: 0.02Max. (450g-load)
Игра вала осевая: 0.08Max. (450g-load)
Максимальная радиальная сила: 28N (20mm от фланца)
Максимальная осевая сила): 10N
| Модель | Удержание вращающего момента | Угол шага | Длина мотора | Тип вала | Расклассифицированное течение |
| 42SHD4950 | 0.13N.m | 1.8° | 20mm | D Shaft-20mm | 1.0A |
| 42SHD4003 | 0.26N.m | 1.8° | 34mm | D Shaft-20mm | 0.4A |
| 42SHD0261 | 0.45N.m | 1.8° | 40mm | D Shaft-20mm | 1.68A |
| 42SHD4425 | 0.59N.m | 1.8° | 48mm | D Shaft-24mm | 2.0A |
| 42SHD4813 | 0.8N.m | 1.8° | 60mm | D Shaft-24mm | 2.1A |
Загрузка
