Мотор шага раздела 42mm 1.65Amp 500mN.m винта руководства мотора 34mm Nema 17 плененный Stepper линейный для принтера 3D
42mm гибридная серия Stepper мотора предлагает сильный держа вращающий момент в разнообразие размерах.
Используйте с microstepping водителем для уменьшения вибрации и для того чтобы достигнуть более высокого разрешения шага.
Выберите версию базиса или спросите вашу собственную подгонянную конфигурацию.
Особенности:

|
Ангел шага
|
° 1,8 |
|
Размер Fram
|
42 mm |
|
Номер участка
|
2 - участок |
|
Расклассифицированное течение
|
1.68Amp |
|
Удержание вращающего момента
|
500 mN.m |
|
Сопротивление
|
1,65 ома |
|
Индуктивность
|
2,8 mH |
|
Инерция ротора
|
² 72g-см |
|
Вес мотора
|
0.38kg |
|
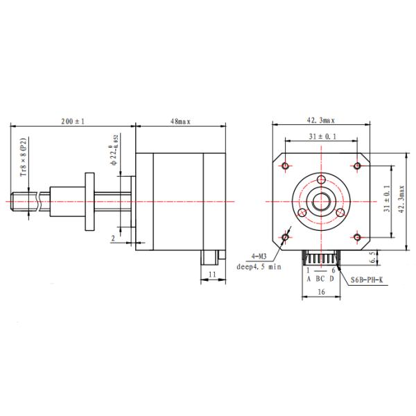
Винт руководства
|
Tr8X8 |
|
Соединение
|
Двухполярный |
Угол шага: 1.8°
Максимальная температура: максимум 80°C
Температура окружающей среды: -20 °C к 50°C
Температура хранения -20: °C к 100°C
Ряд влажности (%): 85% или, не-конденсирующ
Изоляция провода магнита: Класс b 130 ДЕГ C
Сопротивление изоляции: ом 100M на 500 VDC
Диэлектрическая прочность: 500 VDC на 1 минута
Игра вала радиальная: 0.02Max. (450g-load)
Игра вала осевая: 0.08Max. (450g-load)
Максимальная радиальная сила: 28N (20mm от фланца)
Максимальная осевая сила): 10N
| Модель | Удержание вращающего момента | Угол шага | Длина мотора | Тип вала | Расклассифицированное течение |
| 42SHD4950 | 0.13N.m | 1.8° | 20mm | D Shaft-20mm | 1.0A |
| 42SHD4003 | 0.26N.m | 1.8° | 34mm | D Shaft-20mm | 0.4A |
| 42SHD0261 | 0.45N.m | 1.8° | 40mm | D Shaft-20mm | 1.68A |
| 42SHD4425 | 0.59N.m | 1.8° | 48mm | D Shaft-24mm | 2.0A |
| 42SHD4813 | 0.8N.m | 1.8° | 60mm | D Shaft-24mm | 2.1A |
| Длина тела | Нормальный диаметр винта | Тангаж | Длина винта | ||
| 20 mm 34 mm 40 mm 48 mm 60 mm |
5 | 2 | 20-1000 mm | ||
| 8 | |||||
| 6,35 | 1,27 | ||||
| 3,175 | |||||
| 6,35 | |||||
| 6,5 | 3 | ||||
| 6,35 | |||||
| 8 | 1 | ||||
| 2 | |||||
| 4 | |||||
| 8 | |||||
| 12 | |||||
Загрузка
