1. 8 градусов Casun закрытый цикл шаговой двигатель 440mN.M 42x48mm шаговой двигатель с Nema 17 шаговой двигатель контроллер
Нема17 Степной двигатель 440mN.m 1.68Amp с кодером
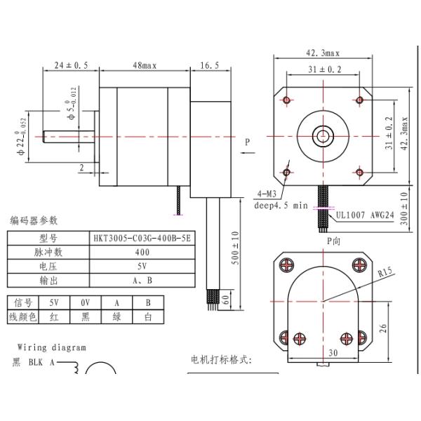
Вы упомянули шаговой двигатель Casun с закрытой петлей, это конкретная модель со следующими характеристиками:
Угол шага: 1,8 градуса на шаг
Стойкость вращения: 440mN.m
Размер: 42x48 мм
Этот шаговый двигатель предназначен для обеспечения точного позиционирования и управления.Угол шага 1,8 градуса означает, что двигатель будет двигаться 1,8 градуса с каждым шагом.Это более тонкое разрешение позволяет более точное позиционирование по сравнению с двигателями с большими углами шага.
Стоянный крутящий момент 340mN.m указывает на способность двигателя удерживать свое положение, когда он не движется.
 
Особенности:

| Степь Ангел 
 | 1.8 ° | 
| Размер рамы 
 | 42 мм | 
| Количество фаз 
 | Фаза 4 | 
| Номинальный ток 
 | 1.68 ампер | 
| Поддерживающий момент 
 | 440mN.m | 
| Сопротивление 
 | 3.3мм | 
| Индуктивность 
 | 20,8 мГц. | 
| Инерция ротора 
 | 72 г/см2 | 
| Масса двигателя 
 | 0.38 кг | 
| Кодировщик Pulsh 
 | 400PPR | 
| Соединение 
 | Биполярный | 
Двигатель
Угол шага: 1,8°
Максимальная температура: 80°C максимум
Температура окружающей среды: от -20 до 50 °C
Температура хранения -20 °C-100 °C
Диапазон влажности воздуха (%): 85% или менее, неконденсирующий
Изоляция из магнитных проводов:класс B 130°C
Сопротивление изоляции: 100 МОм при 500 ВДК
Диэлектрическая прочность: 500 VDC в течение 1 мин.
Кодировщик
можно настроить
Напряжение: 5 В
Выпуск: А + А - В + В -
| Модель | Поддерживающий момент | Угол шага | Длина | Тип вала | Номинальный ток | 
| 42SHD4950 | 0.13 Н.м. | 10,8° | 20 мм | D вал 20 мм | 1.0A | 
| 42SHD4003 | 0.26 Н.м. | 10,8° | 34 мм | D вал 20 мм | 0.4А | 
| 42SHD0261 | 0.45 Н.м. | 10,8° | 40 мм | D вал 20 мм | 1.68А | 
| 42SHD4425 | 0.59 Н.м. | 10,8° | 48 мм | D вал - 24 мм | 2.0A | 
| 42SHD4813 | 00,8 Н.м. | 10,8° | 60 мм | D вал - 24 мм | 2.1А | 
Скачать
 
  
  
 