Двухствольный двигатель NEMA 17 0.40N.M 0.4A для печатной головки с CE
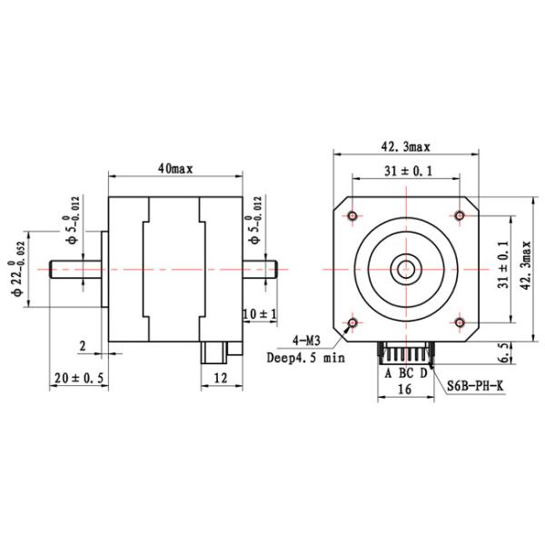
Двухосный шаговый двигатель 42 мм широко используется для управления движением печатной головки и достижения точной накладной печати.
Он может адаптироваться к различным требованиям приложения и может гибко интегрироваться с другими устройствами.
Особенности:


Степь Ангел |
1.8 ° |
Размер рамы |
42 мм |
Количество фаз |
Фаза 2 |
Номинальный ток |
0.4 А |
Поддерживающий момент |
400 мН.м |
Сопротивление |
30 ом |
Индуктивность |
40 мГ |
Инерция ротора |
57 г/см2 |
Масса двигателя |
0.24 кг |
Количество потенциальных клиентов |
4 |
Соединение |
Биполярный |
Угол шага: 1,8°
Максимальная температура: 80°C максимум
Температура окружающей среды: от -20 до 50 °C
Температура хранения -20 °C-100 °C
Диапазон влажности воздуха (%): 85% или менее, неконденсирующий
Изоляция из магнитных проводов:класс B 130°C
Сопротивление изоляции: 100 МОм при 500 ВДК
Диэлектрическая прочность: 500 VDC в течение 1 мин.
| Модель | Поддерживающий момент | Угол шага | Длина двигателя | Тип вала | Номинальный ток |
| 42SHD4950 | 0.13 Н.м. | 10,8° | 20 мм | D вал 20 мм | 1.0A |
| 42SHD4003 | 0.26 Н.м. | 10,8° | 34 мм | D вал 20 мм | 0.4А |
| 42SHD0261 | 0.45 Н.м. | 10,8° | 40 мм | D вал 20 мм | 1.68А |
| 42SHD4425 | 0.59 Н.м. | 10,8° | 48 мм | D вал - 24 мм | 2.0A |
| 42SHD4813 | 00,8 Н.м. | 10,8° | 60 мм | D вал - 24 мм | 2.1А |
Скачать
Кодировщик |
Тормоз |
Коробка передач |
Остров |
![]() |
![]() |
![]() |
![]() |