Степной двигатель с кодером NEMA14 35X20mm 98mN.M 1024pm
Нема14 Степной двигатель 90mN.m 1.1Amp с кодером
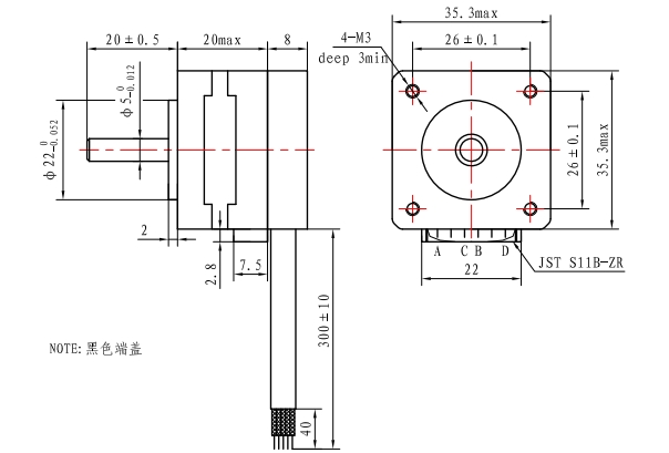
Размер: NEMA 14 относится к размеру рамы двигателя, который составляет 1,4 дюйма или примерно 35 мм квадрата.
Торковый момент: у упомянутого вами двигателя есть крутящий момент 90 мН.м. (миллиневтонный метр).
Течение: номинальный ток двигателя составляет 1,1 ампера. Это указывает максимальный ток, который должен подаваться на обмотки двигателя для достижения указанного крутящего момента.
Закрытый цикл: функция закрытого цикла означает, что двигатель включает кодер для обратной связи положения.Шаговые шаги с закрытым циклом могут обнаруживать и исправлять потери шага или ошибки положенияКодер обеспечивает обратную связь с системой управления, позволяя ей регулировать работу двигателя в режиме реального времени, обеспечивая точное позиционирование.
Особенности:

|
Степь Ангел
|
1.8 ° |
|
Размер рамы
|
42 мм |
|
Количество фаз
|
Фаза 2 |
|
Номинальный ток
|
1.1 ампер |
|
Поддерживающий момент
|
90 мН.м |
|
Сопротивление
|
3.2 мм |
|
Индуктивность
|
20,7 мГц. |
|
Инерция ротора
|
12 г-см2 |
|
Масса двигателя
|
0.17 кг |
|
Кодировщик Pulsh
|
1-24 |
|
Соединение
|
Биполярный |
Двигатель
Угол шага: 1,8°
Максимальная температура: 80°C максимум
Температура окружающей среды: от -20 до 50 °C
Температура хранения -20 °C-100 °C
Диапазон влажности воздуха (%): 85% или менее, неконденсирующий
Изоляция из магнитных проводов:класс B 130°C
Сопротивление изоляции: 100 МОм при 500 ВДК
Диэлектрическая прочность: 500 VDC в течение 1 мин.
Кодировщик
Напряжение: 5 В
Выпуск: А + А - В + В - З + З -
| Модель | Поддерживающий момент | Угол шага | Длина | Тип вала | Номинальный ток |
| 42SHD4950 | 0.13 Н.м. | 10,8° | 20 мм | D вал 20 мм | 1.0A |
| 42SHD4003 | 0.26 Н.м. | 10,8° | 34 мм | D вал 20 мм | 0.4А |
| 42SHD0261 | 0.45 Н.м. | 10,8° | 40 мм | D вал 20 мм | 1.68А |
| 42SHD4425 | 0.59 Н.м. | 10,8° | 48 мм | D вал - 24 мм | 2.0A |
| 42SHD4813 | 00,8 Н.м. | 10,8° | 60 мм | D вал - 24 мм | 2.1А |
Скачать
