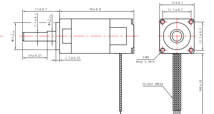
Нема6 14x14x30 мм 0,3А Касунский шаговый мотор Нема 6 Мини шаговый мотор для видеоконференцсвязи.
Спецификации двигателя
 
Форм-фактор NEMA 6: NEMA 6 относится к размеру рамы двигателя. Он указывает физические габариты и спецификации монтажа двигателя. В этом случае мотор имеет размер 14x14x30 мм,который описывает его ширину, высоту и длину.
 
Назначенный ток: Мотор имеет номинальный ток 0,3 А (ампер). Назначенный ток указывает количество электрического тока, необходимого для эффективной работы двигателя.
 
Применение: двигатель предназначен для использования в машине для видеоконференцсвязи.автоматизация, 3D-принтеры и системы управления движением.
 
| Степь Ангел | 1.8 ° | 
| Размер рамы | 14 мм | 
| Количество фаз | Фаза 2 | 
| Номинальный ток | 0.3 А | 
| Поддерживающий момент | 50,8 мН.м. | 
| Сопротивление | 3.8 ом | 
| Индуктивность | 21 мГч | 
| Инерция ротора | 2g-см2 | 
| Масса двигателя | 00,08 кг | 
| Количество потенциальных клиентов | 4 | 
| Соединение | Биполярный | 
Внешний вид

