Насос slurry SM-200E соответствующий для обработки slurry или материала ссадины содержа твердые частицы.
Завод выплавкой металла: транспортируйте slurry
Завод песка: транспортирующ и транспортирующ песок и гравий, питаясь песок и воду все типы заводов классификации и dewatering, etc.
ГЛАВНЫЕ ИСПОЛЬЗОВАНИЯ НАШИХ НАСОСОВ SLURRY CNSME:
Глинозем, азбест, боксит, продукты здания, цемент, уголь, химическое удобрение, Wolfram, вода и очистка сточных вод, медь, электроэнергетики, золото, железная руда, руководство и цинк, минеральные пески, молибден, сахар, олово, сланец масла, фосфат, поташ, бумага и пульпа, песок и гравий, серебр, сталь, титан, табак, использовали но не только использованный в вышеуказанных индустриях.
Спецификации:
|
Модель |
SM-200E (10/8E-M) |
|
Размер разрядки |
8-inch |
| Размер всасывания | 10-inch |
|
Емкость |
360~1260m3/h |
|
TDH |
18~62m |
|
Расклассифицированная сила мотора |
120Kw |
|
Скорость |
600~1100rpm |
|
Максимальн Эффективность |
73% |
|
NPSH |
0~14m |
|
Материал частей мокрой части |
A05, A07, A33, A49, A51, A61, R08, R26, , U01 U38 etc |
|
Тип |
Размер |
Рамка |
Турбинка: F8147A05 |
Тип уплотнения вала |
Оценка рамки (KW) |
Нормальная максимальная скорость (r/min) |
Размер прохода (mm) |
|
SM |
200 |
E |
5 ЗАКРЫТЫХ лопастей металла, диаметр: 549mm |
Набивка сальника, уплотнение экспеллера, Механическое уплотнение |
120 |
1100 |
65 |
Материал: Высокий сплав A05 Chrome
Материальные химические требования, Weight%
|
Описание |
Материальное имя |
C |
Mn |
Si |
Ni |
Cr |
Mo |
Cu |
P |
V |
S |
Описание |
Твердость |
|
A05 |
Ultrachrome |
2,92 |
0,98 |
0,54 |
0,8 |
27 |
≤0.8 |
… |
0,062 |
… |
0,051 |
Утюг размывания Cr 27% устойчивый белый |
58-62HRC |
РАБОЧАЯ ХАРАКТЕРИСТИКА SM-200E:

ЧЕРТЕЖ ПЛАНА ГАБАРИТНЫЙ SM-200E:

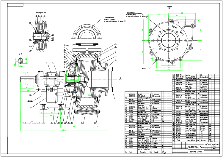
ДИАГРАММА КОМПОНЕНТОВ SM-200E:
