Соединитель Pin прямой женщины 64 PCB Centronics для доски PCB
Этот тип соединителя получил свое имя от Centronics Корпорации, изготовителя основанного в Nashua, Нью-Гэмпшир. Назад в 1970's, Centronics сделал принтеры для пользы с компьютерами. Как компьютеры и прикрепленные принтеры стал более популярным, соединитель который они использовали стали de facto индустриальным стандартом. Centronics Корпорация был куплен Genicom (теперь TallyGenicom) в 1980's, но их имя живет дальше в этом соединителе.
Centronics соединитель имеет пластиковый бар в центре тела соединителя которое держит штыри контакта. Тело соединителя часто черно или голубо в цвете.

Характеристики продукта
|
Тип продукта: |
Centronics соединитель установки PCB |
|
Номенклатура товаров: |
Соединитель чемпиона |
|
Род: |
Женщина |
|
Стиль соединителя: |
Штепсельная розетка |
|
Certerline: |
2.16mm (0.85in) |
|
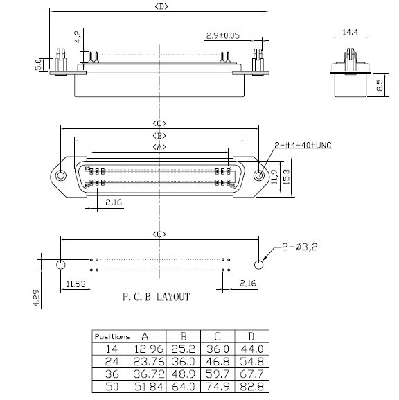
Номер положения: |
штырь 64 |
|
Контактное покрытие: |
Плакировка золота (1U», 3U», 5U», 10U», 15U», 30U») |
|
Тип терминалов |
Прямые терминалы |
|
Цвет изолятора: |
Черный или голубой |
|
Защищенный: |
Да |
|
Ориентация: |
Прямой |
|
Тангаж |
2.16mm |
Описание детали:
Категория продукта: Соединитель Centronic
Номенклатура товаров: Соединитель чемпиона
Тип: Соединитель PCB прямого угла
Номер терминала: 24 штыря
Стиль держателя PCB: Вертикаль
Стиль соединителя: Штепсельная розетка
Род: Женщина
Цвет изолятора: Черный или голубой
Материал изолятора: PBT
Материал штыря контакта: Бронза светомассы
Плакировка экрана: Никель
Ось = 2.16mm [0.085in]
Сопрягая замок: Задний замок доски заклепки
Применение: Доска PCB
Преимущество:
1, ROHS уступчивое, UL-одобрило
2, высококачественный, конкурентоспособная цена
3, быстрый срок поставки
4, свободный образец доступный в 2 днях
Общие черты
|
Конструированный для применений доски Кабел-к-кабеля и кабел-к-ПК |
|
|
Применение доски |
|
|
Доступный в стилях штепсельной вилки & гнезда |
|
|
Терминальный вариант с различными типами |
|
|
Соединитель и клобук проданные как полное собрание |
|
|
Доступный в стиле клобука низкопрофильного |
|
|
Раковина металла обеспечивает зазмеление и защищать возможности |
|
|
Ответные части с соединителем индустрии совместимым |
Материалы
|
Материал контакта: |
Бронза светомассы |
|
Изолятор: |
PBT (UL 94-V0) |
|
Раковина |
Никель покрыл сталь |
Электрический характер
|
Настоящая оценка: |
5Amp |
|
Выдерживая напряжение тока: |
AC 1000v r.m.s |
|
Сопротивление изоляции: |
1000 мегомов минимума на DC 500V |
|
Контактное сопротивление: |
25M∩ Макс сопрягало |
|
Температура деятельности: |
-55°C к +105°C |
Применение
|
1, оборудование VDSL Teleccom |
|
|
2, периферийные устройства компьютера |
|
|
3, оборудование связи |
|
|
4, доска PCB |
|
|
5, кабель, который нужно обшить панелями |
|
|
6, кабель, который нужно привязать |
|
|
7, компьютерный терминал |
|
|
8, телеметрирующ |
|
|
9, испытательное оборудование |
|
|
10, принтер |
Параметры технологии
