Наш монохромный ЖК-монитор 1602 является надежным и экономичным решением для различных приложений.и 66 (ширина) x 16 (высота) мм зоны обзораБлагодаря низкому энергопотреблению и надежности, он широко используется в автомобильных дисплеях, потребительской электронике, медицинском оборудовании и промышленных приложениях.#Монохромный графический LCD дисплей
| Параметр | Стоимость |
|---|---|
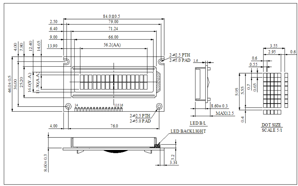
| Размерный очертание | 84.0×44.0×12.5 мм |
| Обязанность | 1/16Обязанность |
| Пик характера | 2.95 ((W) × 5.55 ((H) Мм |
| Размер символа | 0.55 ((W) × 0.65 ((H) Мм |
| Показать фон | Желто-зеленый |
| Количество символов | 16 символов x 2 строки |
| Показать точку | Синий-черный |
| Контроллер | SPLC780D1 или эквивалентный |
| Эффективная V/Зона | 56.2 ((W) × 11.5 ((H) Мм |
| Подсветка | Светодиод (желто-зеленый) |
| Другие экраны LCD | Монохромный графический LCD,Конечный графический модуль LCD |
| ИТМ | СИМБОЛ | Условия | МИН | Тип | Максимум | ЕДИНСТВО |
| Логическая схема ПРЕДЛОЖЕНИЕ СВЕТОМ Напряжение |
VDD VSS | - Я... | 4.5 | 5 | 5.3 | V |
| Входное напряжение | VIL | - Я... | -Нет.3 | - Я... | 0.6 | V |
| Входное напряжение | ВИЧ | - Я... | 2.2 | - Я... | VDD | V |
| Выходное напряжение | VOL | - Я... | 0 | - Я... | 0.4 | V |
| Выходное напряжение | VOH | - Я... | 2.4 | - Я... | VDD | V |
| Логическая схема ПРЕДЛОЖЕНИЕ СВЕТОМ В настоящее время |
IDD | VDD VSS =5,0В |
- Я... | 1.5 | - Я... | mA |
| Рекомендуется ЖК-вождение Напряжение |
* VLCD Φ=0 θ=0 |
Ta=25 °C | - Я... | 4.6 | - Я... | V |
*Примечание: VLCD производится модулями внутри цепи, не требует внешнего ввода. Заказчику необходимо только предложить напряжение + 5,0 В, которое указано в определении интерфейса.
Спецификация светодиодного подсветки
| ИТМ | СИМБОЛ | МИН | Тип | Максимум | ЕДИНСТВО | Условия |
| ПРЕДВИДНОЕ напряжение | Vf | 2.9 | 3.1 | 3.3 | 3.3 | Если= 15mA |
| Цвет | Желто-зеленый | |||||
Размерный очертание

1Все наши коробки соответствуют стандартам экспорта.
2Все наши коробки будут заполнены пеной внутри, чтобы предотвратить повреждение экрана.
3. Наша упаковка продукции принимает большую коробку с небольшими коробками
4. Вес каждой коробки не превышает 3,5 килограмма, а размеры могут варьироваться в зависимости от стандарта.
Вышеприведенные методы упаковки предназначены для предотвращения повреждения дисплейного модуля во время транспортировки, и мы также можем упаковать товары в соответствии с пожеланиями клиента.