Промышленный на заказ 250 нитсов Малый сенсорный экран 7 Zoll Digital
Tn Модуль отображения

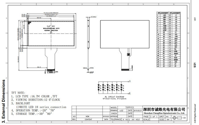
| Модель No. | 700WV02A |
| Тип модуля | 7"TFT |
| Режим отображения | TN Передатчик Обычно белый |
| Количество точек | 800*3*480 |
| Направление просмотра | 12 часов. |
| Направление инверсии серой шкалы | В шесть часов. |
| Размер модуля | 164.9 ((W) * 100.0 ((H) * 5.7 ((T) мм |
| Активная зона TFT | 154.08 (W) * 85.92 ((H) мм |
| TFT Dot пич | 0.1926 (W) * 0,1790 (H) мм |
| Интерфейс | 24 бит RGB |
| Тип заднего освещения | Белый светодиод |
| Просветление | 250 cd/m2 |

ChengHao Дисплей модели CH700WV02A является цветный активный матричный тонкопленочный транзистор (TFT)
жидкокристаллический дисплей (LCD), который использует аморфный кремний TFT в качестве коммутационного устройства.
Модель состоит из ТФТ ЖК-панели, управляющего IC, высокояркостного заднего света и FPC.
Этот TFT LCD имеет 7,0 (16:9) дюймов диагонально измеренную активную область отображения с WVGA
(800 горизонтальных на 480 вертикальных пикселей).
Драйвер, используемый в этом проекте, - это Himax и может отображать 16M цветов на 24 бит RGB.
Ввод сигнала: драйвер установлен на стекле, а соединение через FPC включает
компоненты для управления модулем дисплея. Поддержка интерфейса RGB.
Кроме того, FPC также может быть настроен в соответствии с требованиями клиента, например, модификация
-определение фонарирования и структуры FPC, определение интерфейса и т.д.
Соответствует требованиям RoHS и не содержит галогенов.



| Тип модуля | Область отображения | Режим отображения |
| 1.44 дюйма | 250,50 * 26,50 мм | Обычно белый IPS, передающий |
| 1.44 дюйма | 250,50 * 26,50 мм | Обычно белый TN, передающий |
| 1.50 дюймов | 290,76 * 22,32 мм | Обычно черный IPS, передающий |
| 1.54 дюйма | 27.72 * 27.72 мм | Обычно черный IPS, передающий |
| 1.54 дюйма | 270,74 * 27,74 мм | Обычно черный IPS, передающий |
| 10,77 дюйма | 280,03 * 35,04 мм | Обычно белый TN, передающий |
| 1.80 дюймов | 280,03 * 35,04 мм | Обычно белый TN, передающий |
| 20,00 дюйма | 300,60 * 40,80 мм | Обычно белый TN, передающий |
| 2.10 дюймов | Круговая площадь отображения | Обычно белый IPS, передающий |
| 2.31 дюйм | 460,75 * 35,06 мм | Обычно белый TN, передающий |
| 2.40 дюймов | 360,72 * 48,96 мм | Обычно белый TN, передающий |
| 2.40 дюймов | 360,72 * 48,96 мм | Обычно белый IPS, передающий |
| 2.80 дюймов | 430,20 * 57,60 мм | Обычно белый TN, передающий |
| 2.80 дюймов | 430,20 * 57,60 мм | Обычно белый IPS, передающий |
| 30,00 дюйма | 360,72 * 65,28 мм | Обычно черный IPS, передающий |
| 320 дюймов. | 480,60 * 64,80 мм | Обычно белый TN, передающий |
| 3.50 дюймов | 700,08 * 52,56 мм | Обычно белый TN, передающий |
| 3.50 дюймов | 700,08 * 52,56 мм | Обычно черный IPS, передающий |
| 40,00 дюйма | 510,84 * 86,4 мм | Обычно черный IPS, передающий |
| 40,00 дюйма | 710,86 * 70,18 мм | Обычно черный IPS, передающий |
| 4.30 дюймов | 950,04 * 53,86 мм | Обычно белый TN, передающий |
| 4.30 дюймов | 950,04 * 53,86 мм | Обычно черный IPS, передающий |
| 50,00 дюйма | 1100,88 * 62,83 мм | Обычно белый TN, передающий |
| 50,00 дюйма | 1080,00 * 64,8 0 мм | Обычно черный IPS, передающий |
| 5.50 дюймов | 680,04 * 120,96 мм | Обычно черный IPS, передающий |
| 60,00 дюйма | 74.52 * 132,48 мм | Обычно черный IPS, передающий |
| 70,00 дюйма | 1540,08 * 85,92 мм | Обычно белый TN, передающий |
| 70,00 дюйма | 153.6 * 90 мм | Обычно белый TN, передающий |
| 70,00 дюйма | 1540,21 мм * 85,92 мм | Обычно черный IPS, передающий |
| 80,00 дюйма | 1070,64 * 172,22 мм | Обычно черный IPS, передающий |
| 90,00 дюйма | 196.61 * 114,15 мм | Обычно белый TN, передающий |
| 10.1 дюйм | 135.36 * 216,58 мм | Обычно черный IPS, передающий |