1Спецификация
| Тип дисплея | ТФТ-дисплей |
| Трубка для подсветки | Светодиодные |
| Яркость (cd/m2) | 230 |
| Продолжительность работы подсветки (h) | 20,000 |
| Контраст | 500:1 |
| Угол обзора | 12:00 |
2. Описание
ChengHao Display model CH430WQ09A-T представляет собой цветный активный матричный тонкопленочный транзистор (TFT) с жидкокристаллическим дисплеем (LCD), который использует аморфный кремний TFT в качестве коммутационного устройства.Эта модель состоит из ТФТ ЖК-панели, управляющий IC, подсветка, резистивная сенсорная панель и FPC.
Этот TFT LCD имеет 4,3-дюймовую (горизонтальную) диагонально измеренную активную площадь дисплея с 480 * 272 пикселями.
Драйвер, используемый для этого проекта, является ST7282 и может отображать 16,7M цветов с помощью ввода сигнала.Двигатель установлен на стекле и взаимосвязь через FPC, включая компоненты для управления модулем дисплеяПоддержка 24-битного параллельного RGB интерфейса.
Кроме того, FPC также может быть настроен в соответствии с требованиями клиента, такими как изменение фонари и структуры FPC, определение интерфейса и т. Д.
Соответствует требованиям RoHS и не содержит галогенов.
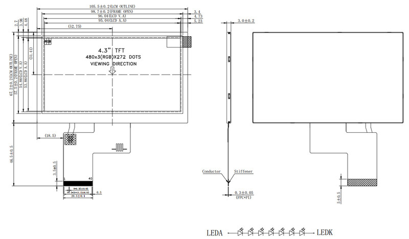
3Рисунки.
Примечания:
(1) Тип дисплея: 4,3" TFT+RTP
(2) Направление обзора: 12 часов
(3) Ключевой элемент ЖК: ST7282
(4) Режим поляризатора: передающий/положительный
(5) Рабочая температура: -20 ~ 70 °C
(6) Хранение при температуре: -30 ~ 80 °C
(7) Толерантность к разметке: ±0.20
(8) Защита: ROHS / CE

4Быстрая деталь.
* Название ЖК-дисплея: 4,3-дюймовый сенсорный экран ЖК-дисплей Модуль 480x272 тонкопленочный транзисторный дисплей
* Размер: 4,3 дюйма
* С сенсорной панелью или нет: Да
* Тип касания: Резистивный касательный панель
* Тип дисплея: 4,3"TFT
* Разрешение (пиксели): 480 ((RGB) * 272
* Направление просмотра 12:00
* TFT контроллер IC: ST7282
* Очертание LCM: 105,5 ((W) × 67,2 ((H) × 3,0 ((T)
* Активная площадь: 95.04 ((W) × 53.856 ((H)
* Пунктовая высота: 0,198 ((W) × 0,198 ((H) мм
* Интерфейс: 24-битный параллельный RGB интерфейс
* Рабочая температура: -20 ~ +70 °C
* Температура хранения: -30 ~ + 80 °C
* Заднее освещение: 7 белых светодиодов
* Вес: TBD g
* Режим отображения: TN / Трансмиссия / Обычно белый
* Светимость: 230 нит
* Тип соединителя: тип соединителя
5. Применение

6Наша служба.
(1) Удаленная техническая поддержка: у нас есть собственные инженеры по НИОКР, которые могут отвечать на все вопросы о технологии продукции сотрудничающих клиентов в любое время,и может также предоставить техническую поддержку для специальных проектов клиентов;
(2) 24-часовой онлайн-обслуживание клиентов:Наша служба поддержки клиентов имеет богатый опыт работы с зарубежными клиентами и может общаться с клиентами на английском языке, чтобы гарантировать, что ваш канал связи с нами беспрепятственен..
Если вы хотите узнать больше информации, пожалуйста, свяжитесь с нами немедленно, мы с нетерпением ждем общения и сотрудничества с вами!
8. Часто задаваемые вопросы
Вопрос 1: Вы производитель?
О: Да, мы производитель.
Q2: Сколько времени у вас на доставку?
О: Обычно 3-5 рабочих дней после оплаты; Заказы на специальные требования, время доставки обсуждается.
Q3: Если продукция не может работать после получения, что мне делать?
О: Мы заменим новые предметы для вас сразу, а затем мы сделаем суждение по вопросу.
Q4: Принимаете ли вы дизайн OEM?
О: Да, мы можем спроектировать в соответствии с вашими требованиями, MOQ обычно 100-1000.
Вопрос 5: Принимаете ли вы оплату 30% заранее?
О: Да, мы можем. Мы можем начать готовить ваши товары, когда получим 30% оплаты, и отправить их после получения остальных 70% оплаты.
Если у вас есть еще вопросы, пожалуйста, свяжитесь с нами сейчас, мы с нетерпением ждем общения с вами!