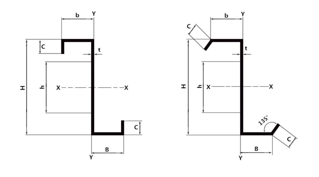
Z Beam Steel Galvanized Z Beam Purlin Price Galvanized Z Type Channel Steel (Сталь цинковая из зодиакальной стали)
Спецификация:
Застежки в форме Z отличаются превосходными свойствами и легко устанавливаются.
Они широко используются в цепи и стеновой балки стальной конструкции здания, такие как
фабрика, склад, гараж, выставочный центр, кинотеатр, театр, сад и так далее.
Описание продукта:




Применение препарата:
