Оборудование контроля за обеспыливанием воздуха электроники камеры теста пыли песка LIYI IP5X 6X 1000L
Введения:
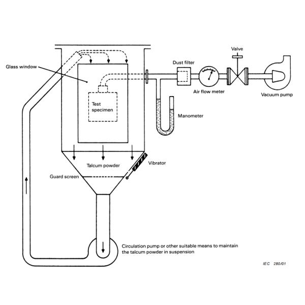
Камера контрольного испытания пыли взрыва песка IP5X/6X для ламп и электроники СИД конструирована согласно GB4706, GB2423, GB7000.1, IEC60529, стандартам ect и встречает требования к теста пыль IP5X и IP6X. Она maily использована для испытывать шкаф контроля, бытовые приборы, прибор низшего напряжения электрические, автомобиль, лампы и фонарики, части мотоцикла, внешние оболочки ect. Давление камеры теста может быть постоянн и изменено, соответствующее для крытого низкого теста загрязнения пыли концентрации, образца оценки в этой окружающей среде запечатывания и степени корозии.

Предпосылка применения:
Повреждение естественной пыли (пыли песка, пыли ветра, пыли, etc.) к продуктам и потере причин материалов экономической которая трудна для оценки каждого года. Повреждение причинило главным образом включает корозию, увядать, деформацию, уменьшение прочности, расширение, mildew, etc., особенно электрические продукты легко для того чтобы причинить огонь должный к короткому замыканию причиненному пылью. Поэтому, необходимая ключевая процедура для того чтобы унести пылезащитный тест для специфических продуктов или материалов.
Общее применение: на открытом воздухе лампы, бытовые приборы, автозапчасти и другие электронные и электрические продукты.
Функция оборудования:
Основная функция оборудования испытать медицинский осмотр и другие родственные свойства продуктов под сымитированными условиями климата пыли, как электронные и электрические продукты, лампы, шкафы, электрические детали, автомобили, мотоциклы и их части. После теста, судьи соотвествует ли характеристика рабочое продукта через проверку, облегчить осмотр дизайна, улучшения, проверки и доставки продукта.
Стандарты:
IEC60529: 1989 +A1: 1999 +A2: 2013
GB4208-200813.4
GB7000.19.2.1

Спецификации машины:
| Основные параметры | |
| Внутренний размер камеры | L1000*D1000* H1000mm |
| Общий размер | L 1450* D1220* H1970mm |
| Диапазон температур | RT+10~70℃ (смогите подгонять, подтвердить перед заказом) |
| Родственная влажность | 45%~75% (не смогите показать) |
| Стандартный диаметр провода сетки металла | 50um |
| Стандартное дистанционирование между линиями сетки | 75um |
| Количество порошка talcum | 2~4kg/m |
| Тип порошка | Сухой порошок talcum |
| Режим уменьшения пыли | Свободная падая пыль |
| Время теста | 0-999H (регулируемое) |
| Время вибрации | 0-999H (регулируемое) |
| Приурочивая точность | ±1s |
| Степень вакуума | 0-10Kpa (регулируемое) |
| Скорость вакуума | 0-4800L/H (регулируемое) |
| Параметры силы | |
| Источник питания машины | 220V |
| Источник питания образца | 220V |
| Тариф | 1.5KW |
| Функция Safty | Предохранение от утечки, предохранение от короткого замыкания |


Наше обслуживание:
Во время всего бизнес-процесса, мы предлагаем консультативное продавая обслуживание.
1)Процесс дознания клиента:
Обсуждающ испытывая требования и детали метода, предложил соответствующие продукты к клиенту для того чтобы подтвердить. После этого закавычьте большинств соответствующую цену согласно требованиям клиента.
2)Спецификации подгоняют процесс:
Рисуя родственные чертежи, который нужно подтвердить с клиентом для подгонянных требований. Photoes ссылки предложения для того чтобы показать возникновение proucts. После этого, подтвердите окончательное решение и подтвердить окончательную цену с клиентом.
3)Процесс заказа:
Мы предлагаем под условием дела:
| Принятые условия доставки: | ОБМАНЫВАЙТЕ, CFR, CIF, EXW, DDP |
| Принятая валюта оплаты: | USD, EUR, HKD, CNY |
| Принятый тип оплаты: | T/T, L/C, кредитная карточка, PayPal, западное соединение, наличные деньги, Escrow |
| Близко порт: | Шэньчжэнь, Гуанчжоу, Шанхай, Qingdao, Tianjing или rquired |
4)Процесс продукции и доставки:
Мы произведем машины согласно подтверженным требованиям к PO. Предлагая photoes для того чтобы показать производственный процесс.
После продукции финиша, photoes предложения к клиенту, который нужно подтверждать снова с машиной. После этого сделайте собственную тарировку фабрики или тарировку третьей стороны (как требования клиента). Проверите и испытайте все детали и после этого аранжируйте упаковку.
Поставьте продукты в подтверженном грузя времени и сообщите клиенту.
5)Установка и обслуживания после продажи:
Defines устанавливая те продукты в поле и обеспечивая поддержку после-продаж.